EasyManua.ls Logo

eXact 240 - Page 42

eXact 240
48 pages
Print Icon
To Next Page IconTo Next Page
To Next Page IconTo Next Page
To Previous Page IconTo Previous Page
To Previous Page IconTo Previous Page
Loading...
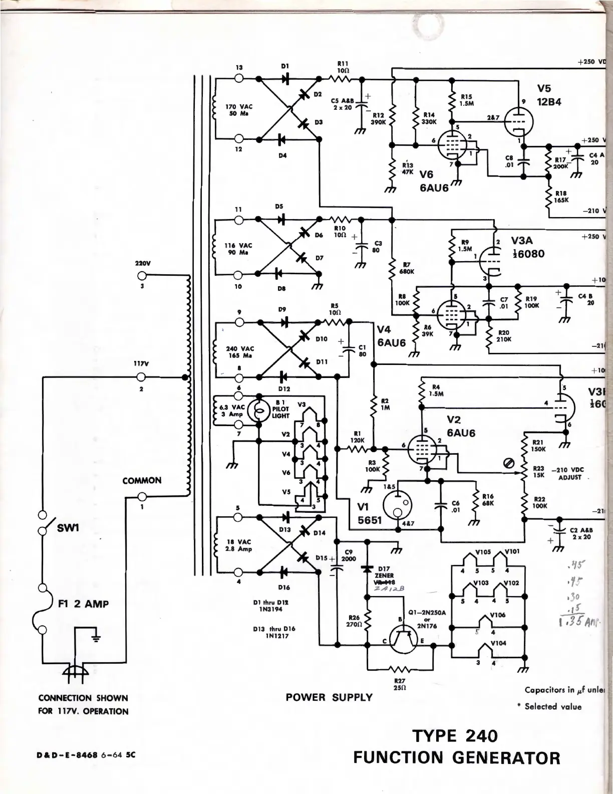
220V
COMMON
SW1
F1
2
AMP
CONNECTION SHOWN
FOR
117V. OPERATION
D&D-E-8468
6-64
SC
11
4
Dl
DS
D16
Dl
thru
Dl!
1N3194
D13
thru
016
1N1217
ll7
680K
017
ZENER
~
.7-A
1~
c
R27
2sn
R4
1.SM
V2
6AU6
R16
68K
4 5 5 4
+
2so
vo
vs
9
1284
V3A
16080
+
2so
v
V31
16(
-210
VDC
ADJUST
.
-21
C2 A&B
+J
2x20
I
()
·If
-;ft
A
r-
POWER SUPPLY
Capa<:itors in
µf
unle:
Selected
value
TYPE
240
FUNCTION GENERATOR