EasyManua.ls Logo

eXact 240 - Page 44

eXact 240
48 pages
Print Icon
To Next Page IconTo Next Page
To Next Page IconTo Next Page
To Previous Page IconTo Previous Page
To Previous Page IconTo Previous Page
Loading...
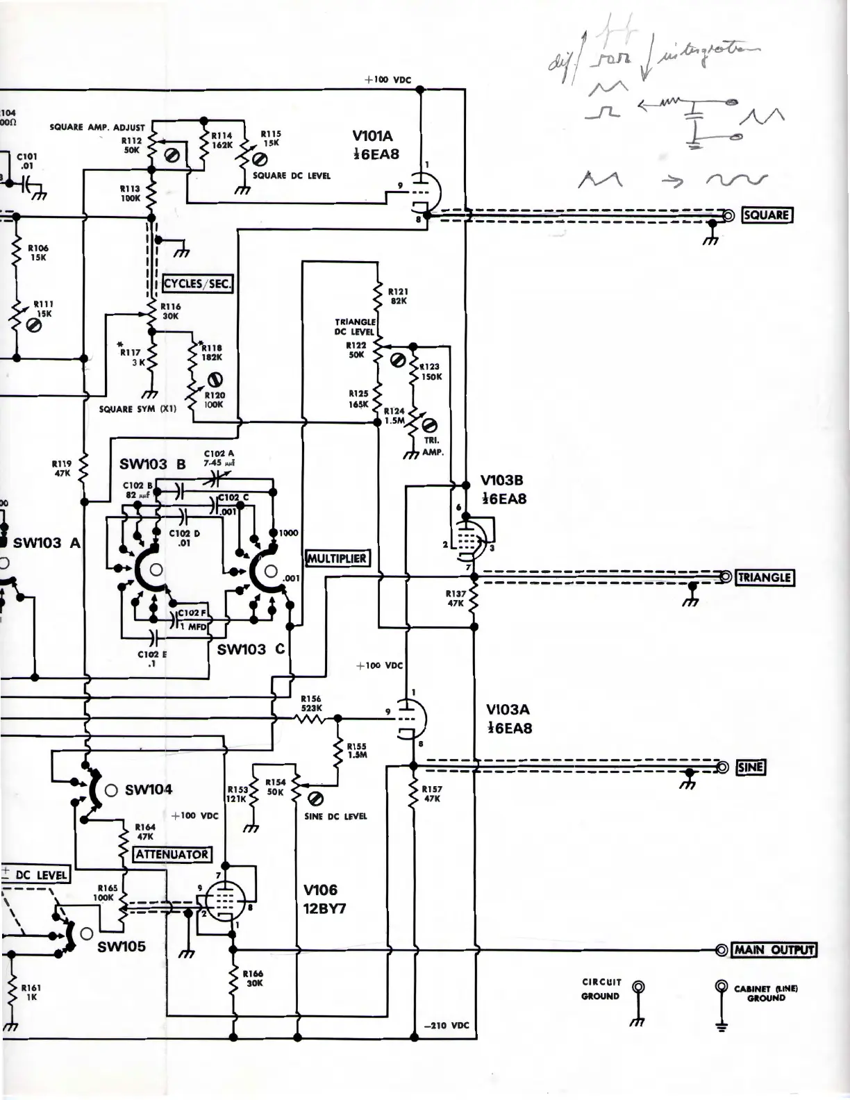
~104
1oo
n
DO
101
01
f;J,
SQUARE
AMP
. ADJUST
R112
SOK
R119
47K
R113
lOOK
I I
:n,
I I
R114
162K
,,
____
_
I I
ICYCLES
/
SEC
.I
I I
{\)
R120
lOOK
C102 A
7-45 µµ f
I
SW103
A
)
C102
I:
.1
O SW104
+
100
voe
R115
15K
SQUARE
DC
LEVEL
+ 100
voe
V101A
l6EA8
TRIANGLE
DC
LEVEL
R122
SOK
1125
16~K
V103B
l6EA8
--___:~~---..._:-::;.::;;-..;;;;-;.;;-;;;.;-;;..;;;;;-;.;;-;.;-;;;.;-;;;..;;;-;.;;-;;;.;-~-;..;;;;...;;;;-;..;;-;;;.;-;;;..;.;;;;
....
:.;;;-;.;-;;;.;-~rn1r11ANGLEI
-----------------~-
. .
R156
523K
+
100
voe
R155
1.5M
9
SINE DC
LEVEL
V106
12BY7
-210
voe
VI03A
l6EA8
--------
-
---------~-»)
ISINEI
CIRCUIT
GROUND
l
i
CAalNET
(I.INEi
GROUND