EasyManua.ls Logo

Fagor evo PRO 100 D2 - Page 6

Fagor evo PRO 100 D2
Print Icon
To Next Page IconTo Next Page
To Next Page IconTo Next Page
To Previous Page IconTo Previous Page
To Previous Page IconTo Previous Page
Loading...
6
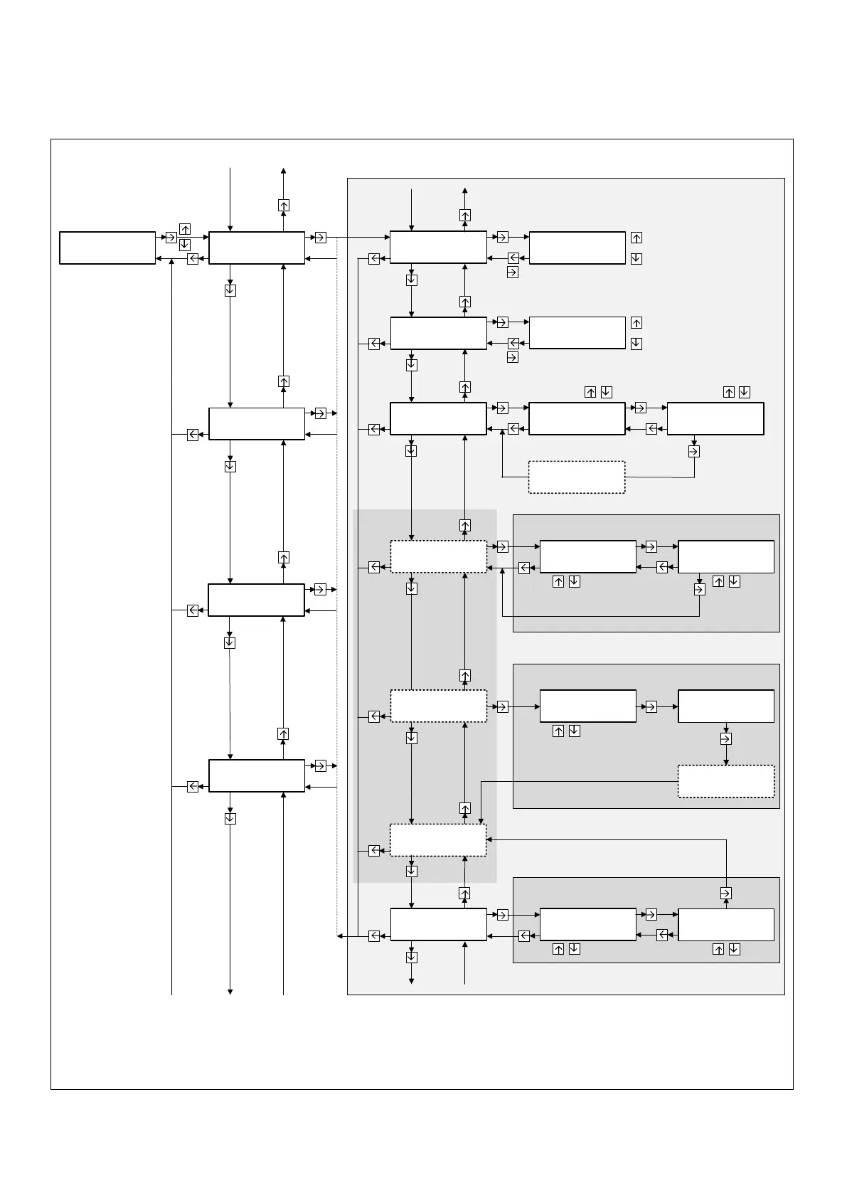
DIAGRAMA DE CONFIGURACIÓN CONFIGURATION DIAGRAM
SCHÉMA DE CONFIGURATION DIAGRAMMA DI CONFIGURAZIONE
RF-IN
IN-UHF 1
Pre-Ampli
EVO PRO 100 D2
Main Menu
IN-VHF
Main Menu
IN-UHF 1
Main Menu
IN-UHF 3
Pre-Ampli
Off / On
IN-UHF 1
Antenna Power
Antenna Power
Off / On
IN-UHF 1
Auto Scan
Auto Scan
Start CH: 21█
Auto Scan
█ █ █ 50%
IN-UHF 1
Ch21->21 65dBuV
Edit Channel
Ch2█->21 65dBuV
Edit Channel
Ch22->2█ 65dBuV
Channel Edition
IN-UHF 1
Ch25->25 66dBuV
Edit Channel
Ch2█->25 66dBuV
Edit Channel
Ch00->2█ 65dBuV
Channel Deletion
Channel Deleted
IN-UHF 1
Add Channel
Add Channel
Ch2█->27 70dBuV
Add Channel
Ch27->2█ 70dBuV
IN-UHF 1
Ch27->27 70dBuV
Channel List
Add Channel
Main Menu
IN-UHF 2
Auto Scan
Stop CH: 48█