EasyManua.ls Logo

Fagor QVF-2 - Page 24

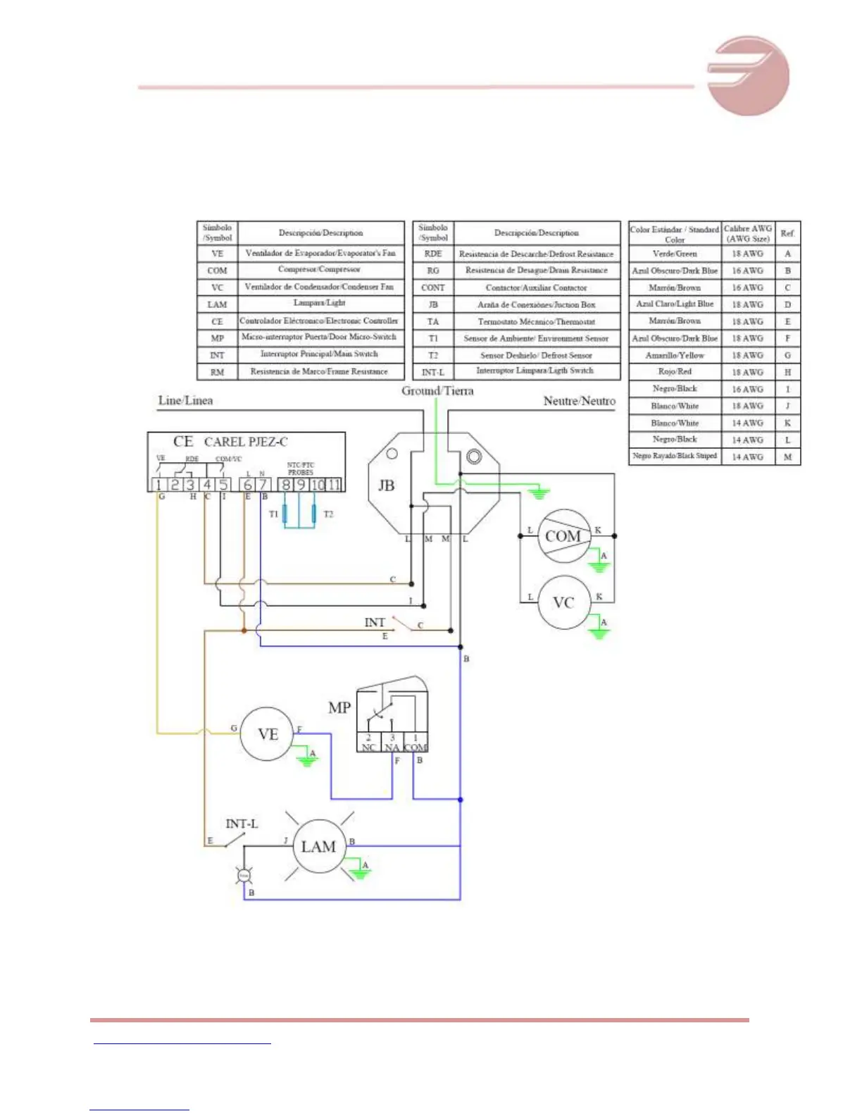
Fagor QVF-2
28 pages
Print Icon
To Next Page IconTo Next Page
To Next Page IconTo Next Page
To Previous Page IconTo Previous Page
To Previous Page IconTo Previous Page
Loading...
www.Fagorcommercial.com
PAGE 24
REACH-INS OPERATIONAL SERVICE MANUAL / Rev.JUN. 2015
QR 1G QVR 1G

Related product manuals