EasyManua.ls Logo

Fagor QVR-2 - Page 23

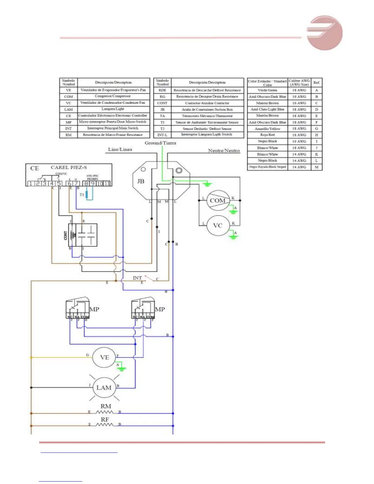
Fagor QVR-2
28 pages
Print Icon
To Next Page IconTo Next Page
To Next Page IconTo Next Page
To Previous Page IconTo Previous Page
To Previous Page IconTo Previous Page
Loading...
www.Fagorcommercial.com
PAGE 23
REACH-INS OPERATIONAL SERVICE MANUAL / Rev.JUN. 2015
QR2 QVR 2

Related product manuals