EasyManua.ls Logo

Fatbee X1 - Page 56

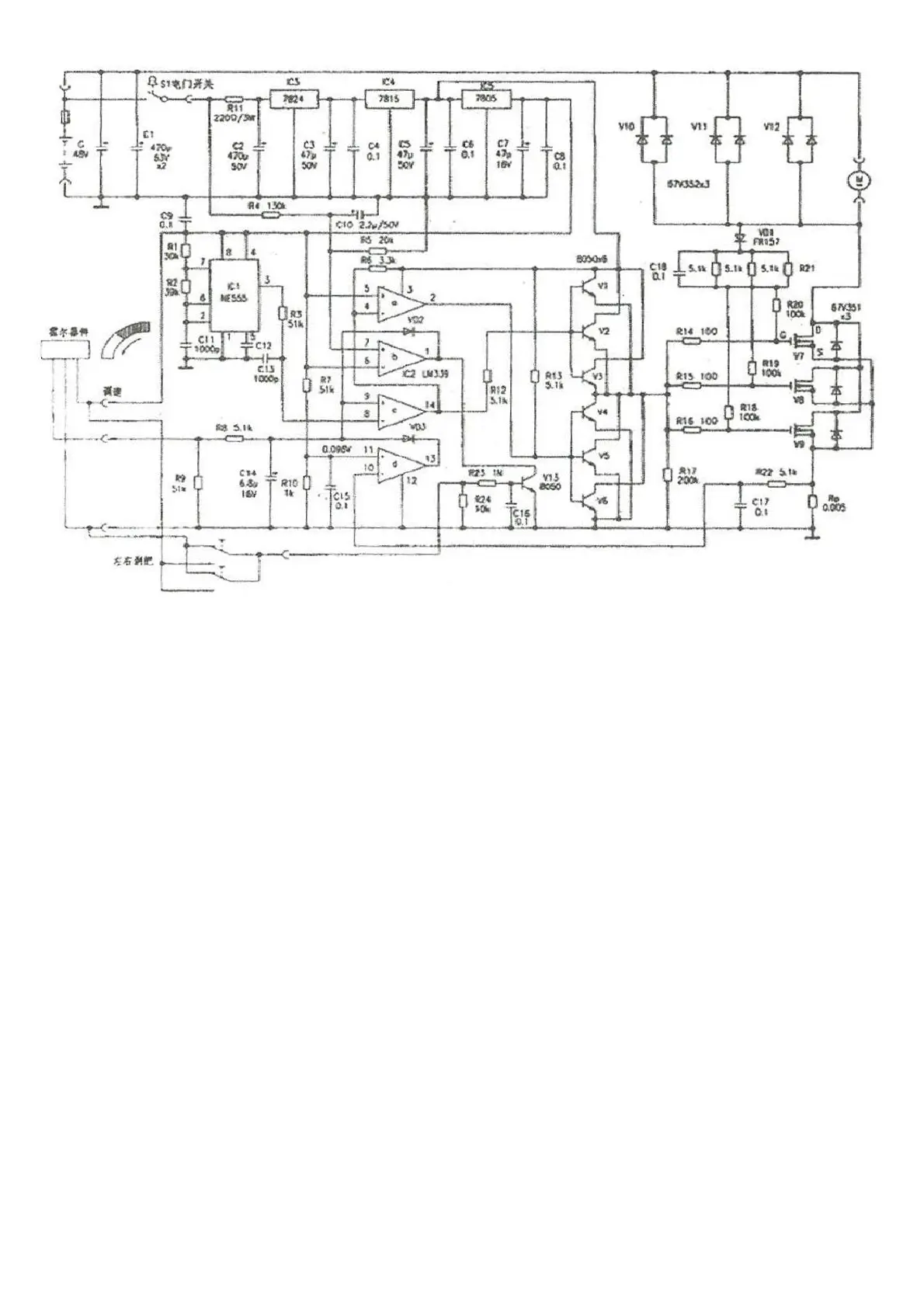
Fatbee X1
Print Icon
To Next Page IconTo Next Page
To Next Page IconTo Next Page
To Previous Page IconTo Previous Page
To Previous Page IconTo Previous Page
Loading...