EasyManua.ls Logo

feedback EW604 - Page 36

Default Icon
36 pages
Print Icon
To Previous Page IconTo Previous Page
To Previous Page IconTo Previous Page
Loading...
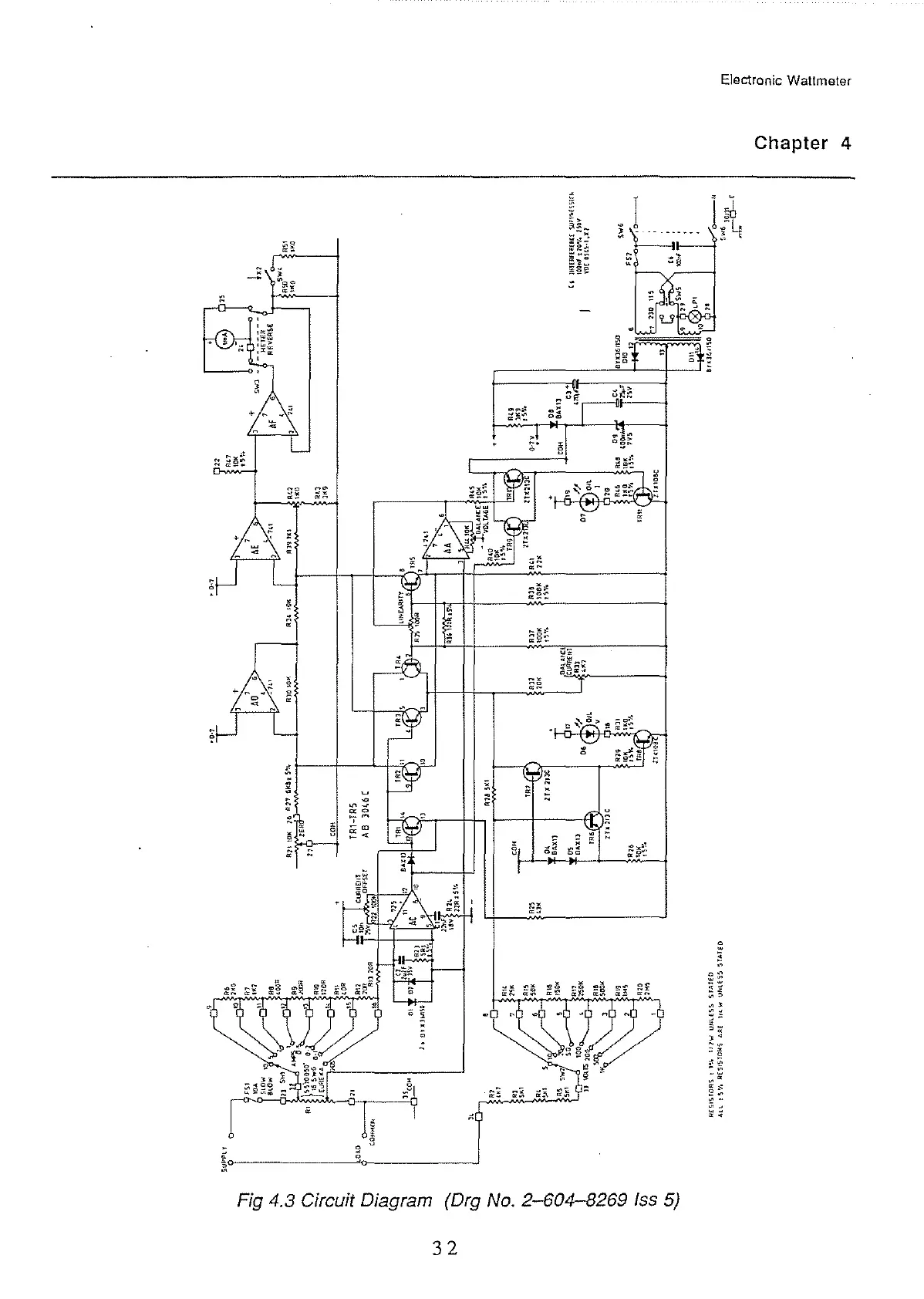
Electronic Wattmeter
Chapter 4
~
,~----------~~----------J
Fig 4.3 Circuit Diagram (Drg
No.
2-604-8269
Iss
5)
32

Related product manuals