EasyManua.ls Logo

Fermax 8811 - Installation Example Cityline System; Remove Switch Instruction

Fermax 8811
4 pages
Print Icon
To Previous Page IconTo Previous Page
To Previous Page IconTo Previous Page
Loading...
12Vac
12Vac
JP4
JP4
21
1
2
n-1
n
n
2
1
n-1
n
2
1
n-1
n-1
n
21
12
3
4
+
12
F2
6
F1
12
3
4
+
12
F2
6
F1
12
3
4
+
12
F2
6
F1
12
3
4
+
12
F2
6
F1
21
K
I
J
H
1
2
3
6
1
2
3
6
JP4
CN1
JP3
JP1
CN4
AMPLIFICADOR 4+N
4+N AMPLIFIER
AMPLIFICATEUR 4+N
4+N VERSTÄRKER
AUDIO
10
PAN & TILT
MIC
~
~
Cp2
Cp1
NO
C
1 2
3
6
JP4
CN1
JP3
JP1
CN4
AMPLIFICADOR 4+N
4+N AMPLIFIER
AMPLIFICATEUR 4+N
4+N VERSTÄRKER
AUDIO
10
PAN & TILT
MIC
~
~
Cp2
Cp1
NO
C
1 2
3
6
+
-
-
+
~
~
~
~
PRIM
Vac
12Vac+12Vdc
ZYXWVUTSRQPO
ALKJIH
654321+ - M
CAMBIADOR AUTOMATICO
AUTOMATIC SWITCHER
YXWVUTS
RECUERDE UNIR SIEMPRE
REMEMBER TO CONNECT ALWAYS
REPPELEZ-VOUS DE TOUJOURS
CONNECTER
HINWEIS: IMMER VERBINDEN
CitylineCityline
CitylineCityline
Cityline
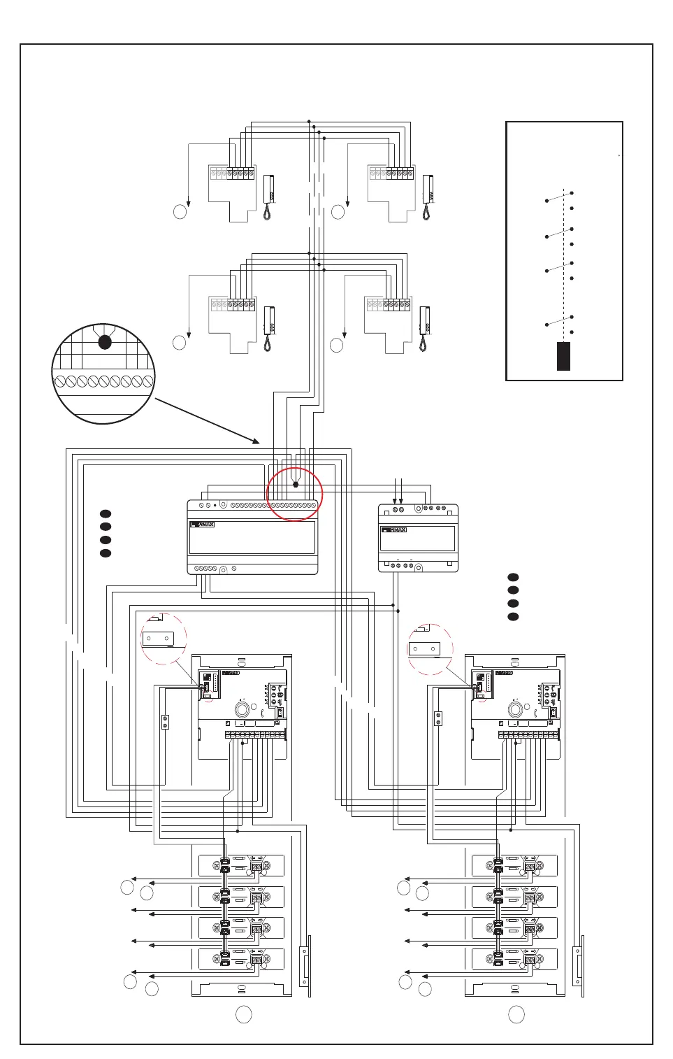
EJEMPLO DE INSTALACIÓN 2 ACCESOS / 2 ENTRANCES INSTALLATION EXAMPLE
EXEMPLE D’INSTALLATION Â 2 ACCÈS / 2 TÜRSTATION INSTALLATIONBEISPILE
Quitar puente.
Remove switch.
Enlever le pont.
Steckbrücke entfernen.
Quitar puente.
Remove switch.
Enlever le pont.
Steckbrücke entfernen.
Z
Y
X
CONTACTOS DEL CAMBIADOR
CONTACT DU COMMUTATEUR
SWITCHER CONTACTS
UMSCHALTER KONTAKTE
Q
O
P
T
S
R
W
V
U
EN
E
F
D
EN
E
F
D