EasyManua.ls Logo

Fimar MSD/300P - Page 161

Fimar MSD/300P
Print Icon
To Next Page IconTo Next Page
To Next Page IconTo Next Page
To Previous Page IconTo Previous Page
To Previous Page IconTo Previous Page
Loading...
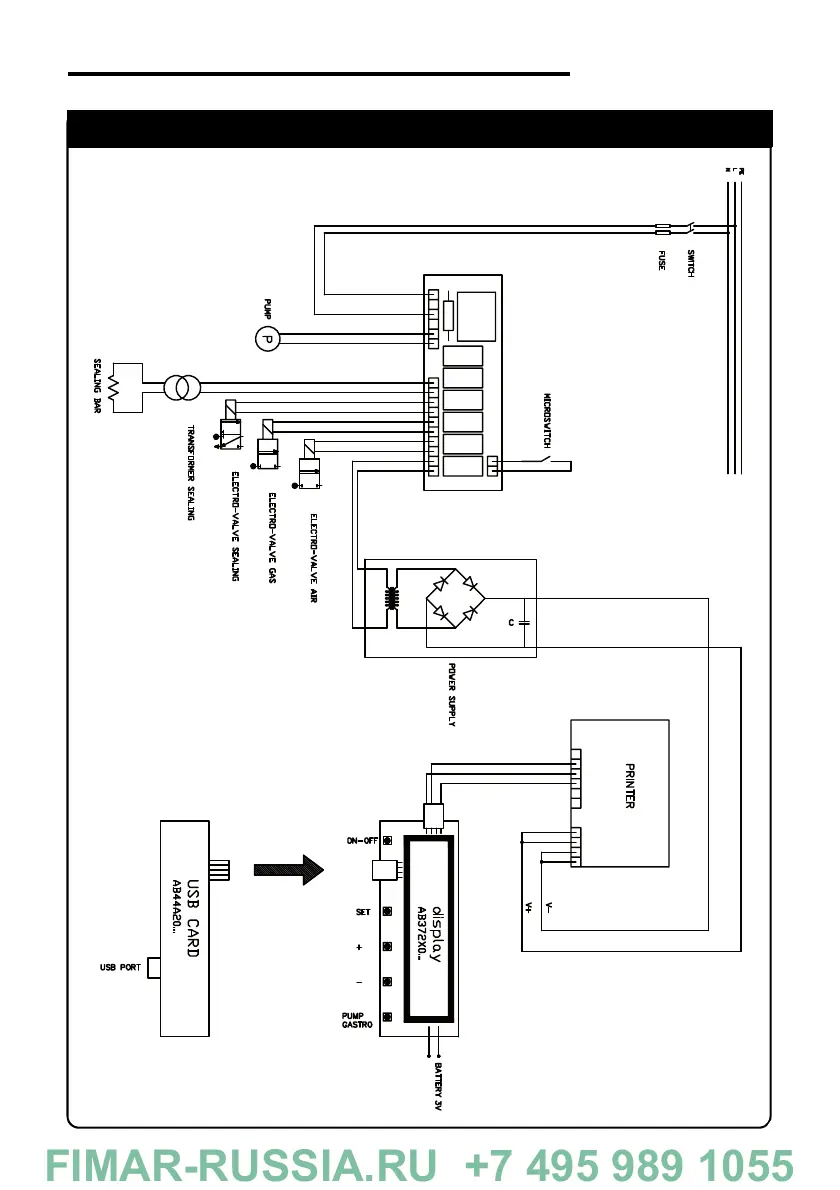
SCHEMA ELETTRICO
ELECTRIC DIAGRAM
MCD/420S - MCD/520S
IDM-34606201301.pdf
FIMAR-RUSSIA.RU +7 495 989 1055

Table of Contents

Other manuals for Fimar MSD/300P

Related product manuals