EasyManua.ls Logo

Fimco MS-25BU - Page 7

Fimco MS-25BU
12 pages
Print Icon
To Next Page IconTo Next Page
To Next Page IconTo Next Page
To Previous Page IconTo Previous Page
To Previous Page IconTo Previous Page
Loading...
Page 7
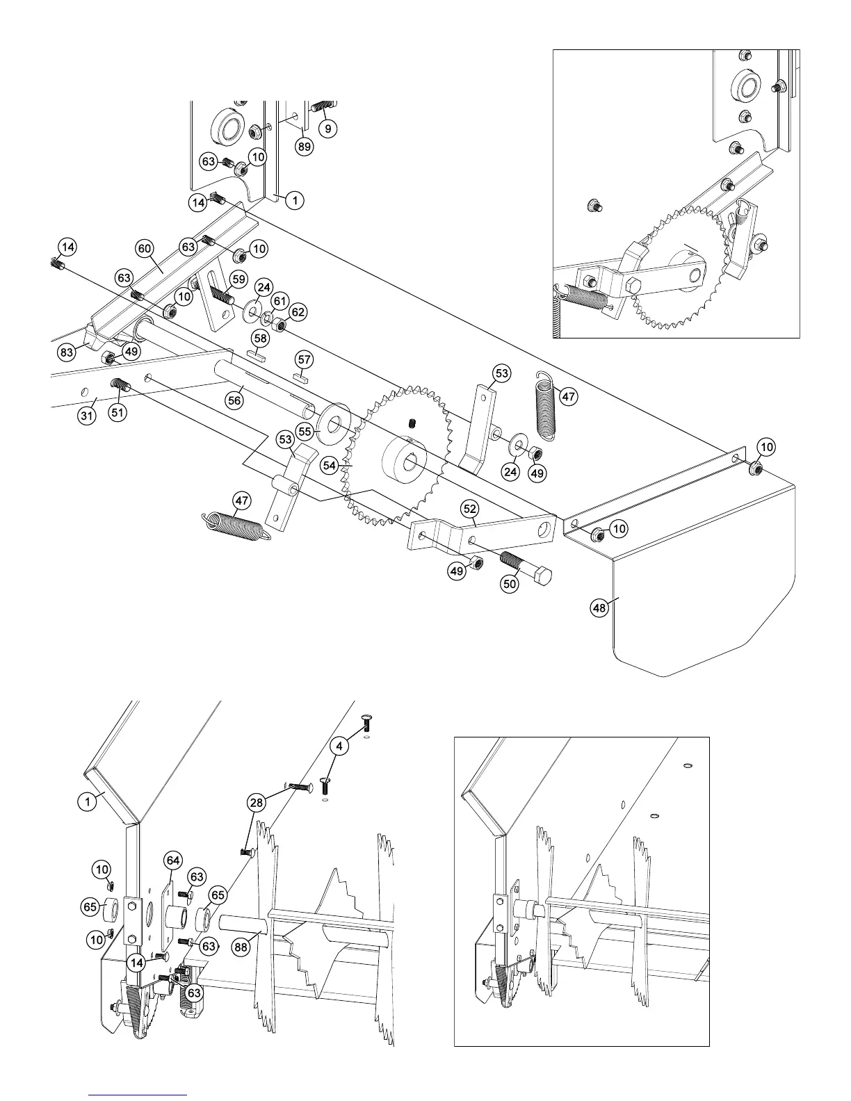
Detail D
Detail E