EasyManua.ls Logo

Fini AF 250 - Page 26

Default Icon
29 pages
Print Icon
To Next Page IconTo Next Page
To Next Page IconTo Next Page
To Previous Page IconTo Previous Page
To Previous Page IconTo Previous Page
Loading...
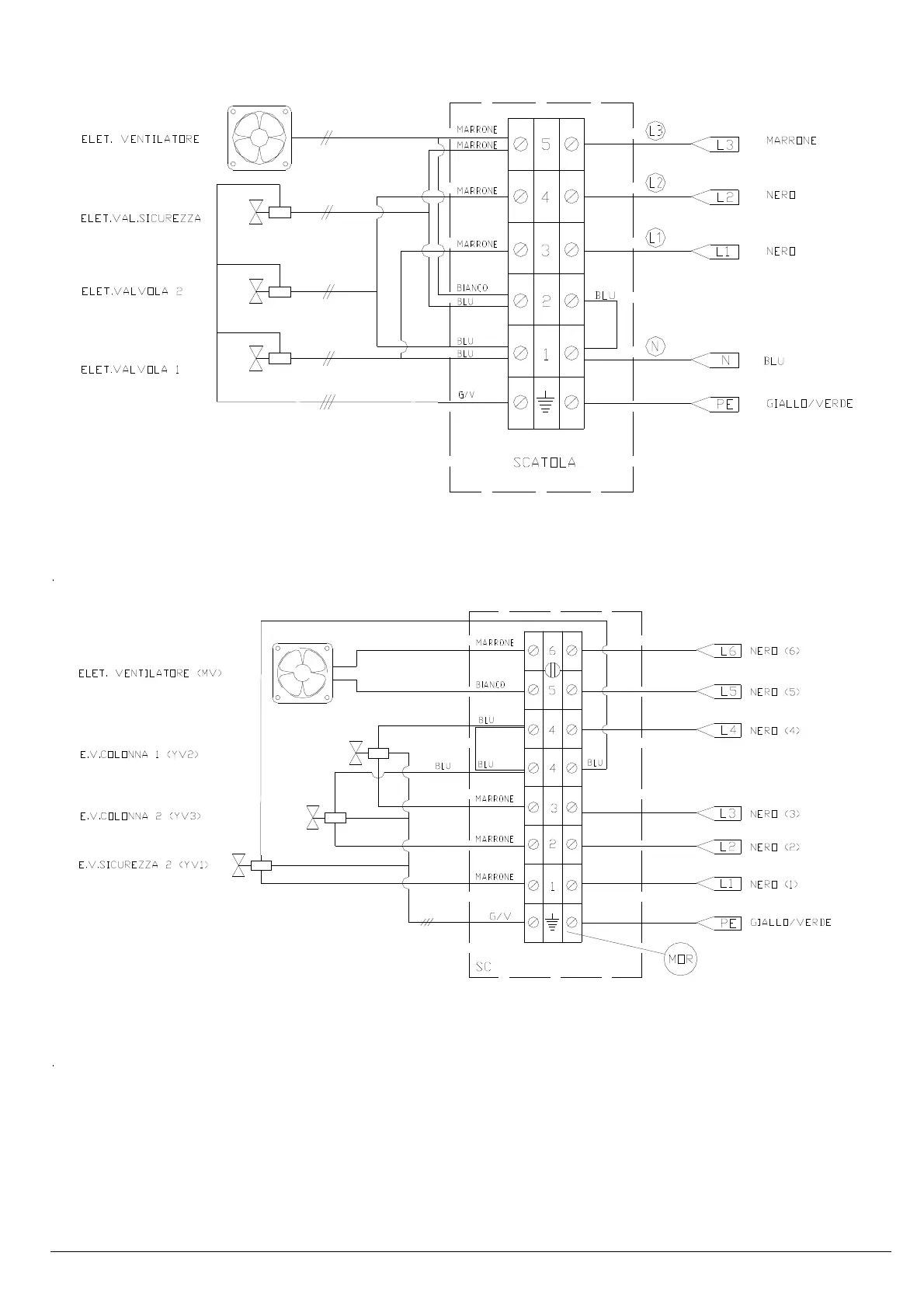
22 / 25 Cod. 710.0054.02.00 rev.3A – 09.2010
Mod. VKM600 230/1/50 Cod. 714.0006.02.00
Mod. VKMT 600 220 - 230/1/50-60 Cod. 714.0006.10.00

Related product manuals