EasyManua.ls Logo

Firman H08052 - Wiring Diagram

Firman H08052
45 pages
Print Icon
To Next Page IconTo Next Page
To Next Page IconTo Next Page
To Previous Page IconTo Previous Page
To Previous Page IconTo Previous Page
Loading...
English Customer Service: 1-844-FIRMAN1
39
Parts Diagrams - Parts Lists - Wiring Diagram
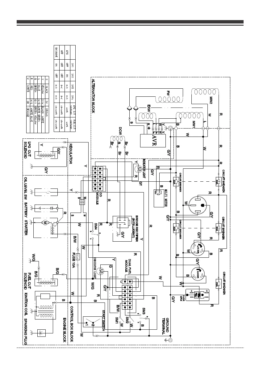
Wiring Diagram

Related product manuals