EasyManua.ls Logo

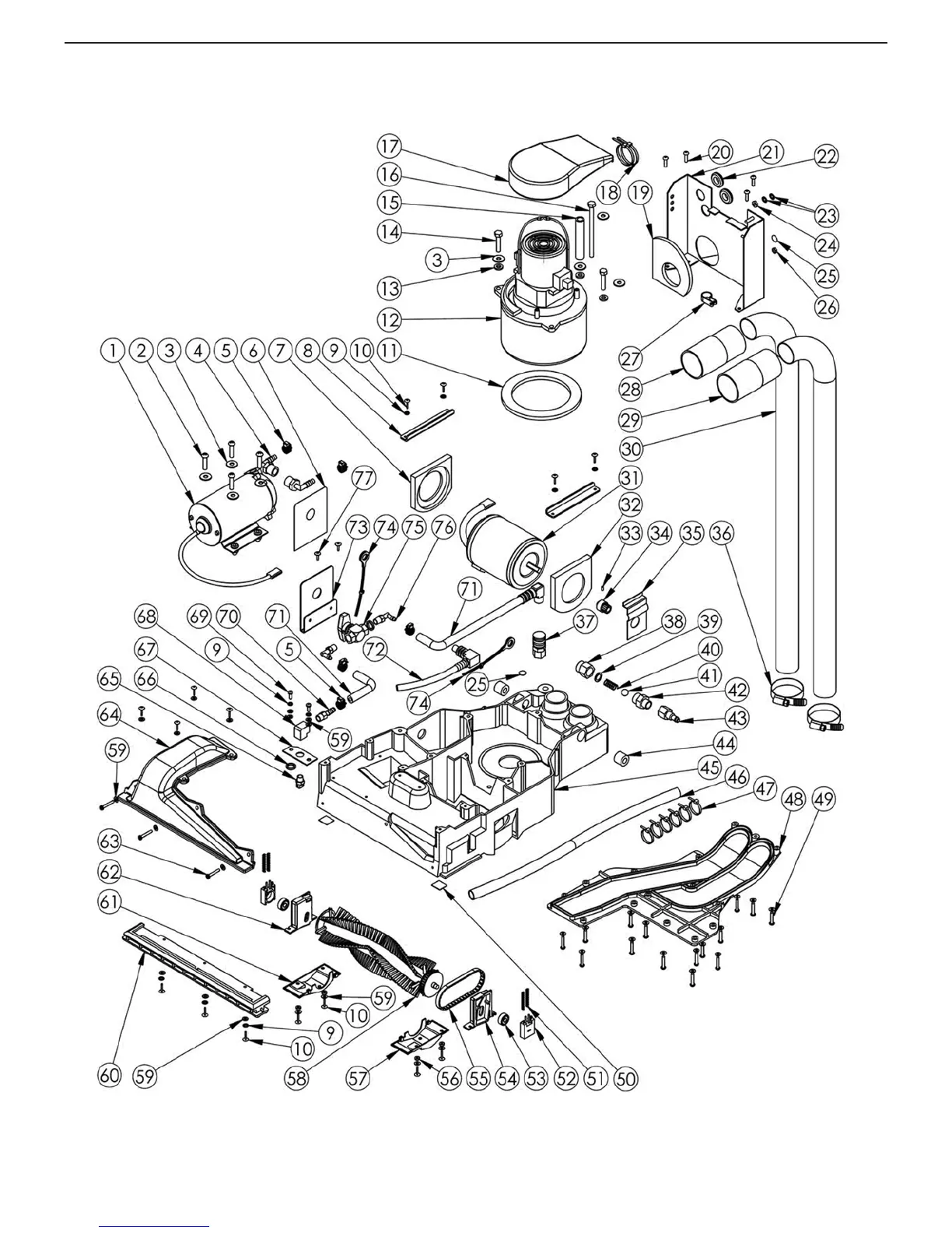
FiveStar 401TR - 411 TR Chassis Exploded View

FiveStar 401TR
20 pages
Print Icon
To Next Page IconTo Next Page
To Next Page IconTo Next Page
To Previous Page IconTo Previous Page
To Previous Page IconTo Previous Page
Loading...
7
CHASSIS 411TR