EasyManua.ls Logo

FLAIRMO OFCS-A38.4 - Page 13

FLAIRMO OFCS-A38.4
Print Icon
To Next Page IconTo Next Page
To Next Page IconTo Next Page
To Previous Page IconTo Previous Page
To Previous Page IconTo Previous Page
Loading...
FLAIRMO ApS Lundeborgvej 3 DK-9220 Aalborg Denmark
Phone: +45 53717220 Web: www.flairmo.dk - E-mail: info@flairmo.dk
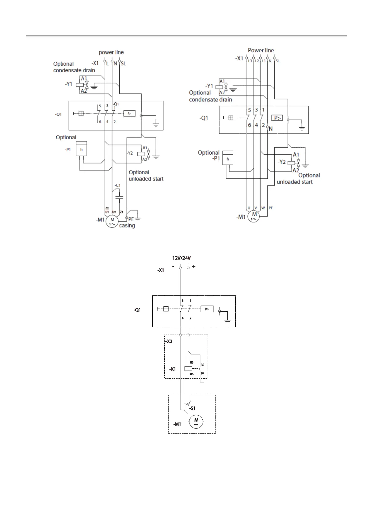
El-diagram / Electrical diagram
Én-faset AC / Single phase AC Tre-faset AC / Three-phase AC
12 & 24V DC

Related product manuals