EasyManua.ls Logo

Flott P23 ST - Page 18

Flott P23 ST
43 pages
Print Icon
To Next Page IconTo Next Page
To Next Page IconTo Next Page
To Previous Page IconTo Previous Page
To Previous Page IconTo Previous Page
Loading...
201261 D/GB 17
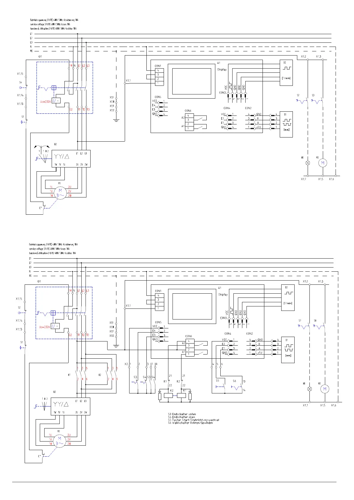
P23 ST
P23 ST mit Gewindeschneideinrichtung