EasyManua.ls Logo

fluimac PHOENIX - Page 18

fluimac PHOENIX
60 pages
Print Icon
To Next Page IconTo Next Page
To Next Page IconTo Next Page
To Previous Page IconTo Previous Page
To Previous Page IconTo Previous Page
Loading...
18 Rev. 03
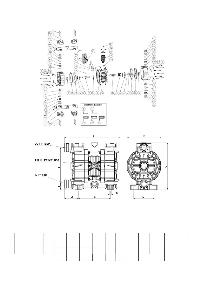
PHOENIX P101
PHOENIX P101 A B C D E H Q S T
Weight
Kg
Min/Max
Temperature
PP 291 175 245 108 175 189 73 9 29 6,5 -4°C/65°C
PVDF+CF 291 175 245 108 175 189 73 9 29 6,5 -20°C/95°C
PP+CF 291 175 245 108 175 189 73 9 29 6,5 -4°C/65°C