EasyManua.ls Logo

FLY EZZY - Baseband Circuit and Power Systems

FLY EZZY
37 pages
Print Icon
To Next Page IconTo Next Page
To Next Page IconTo Next Page
To Previous Page IconTo Previous Page
To Previous Page IconTo Previous Page
Loading...
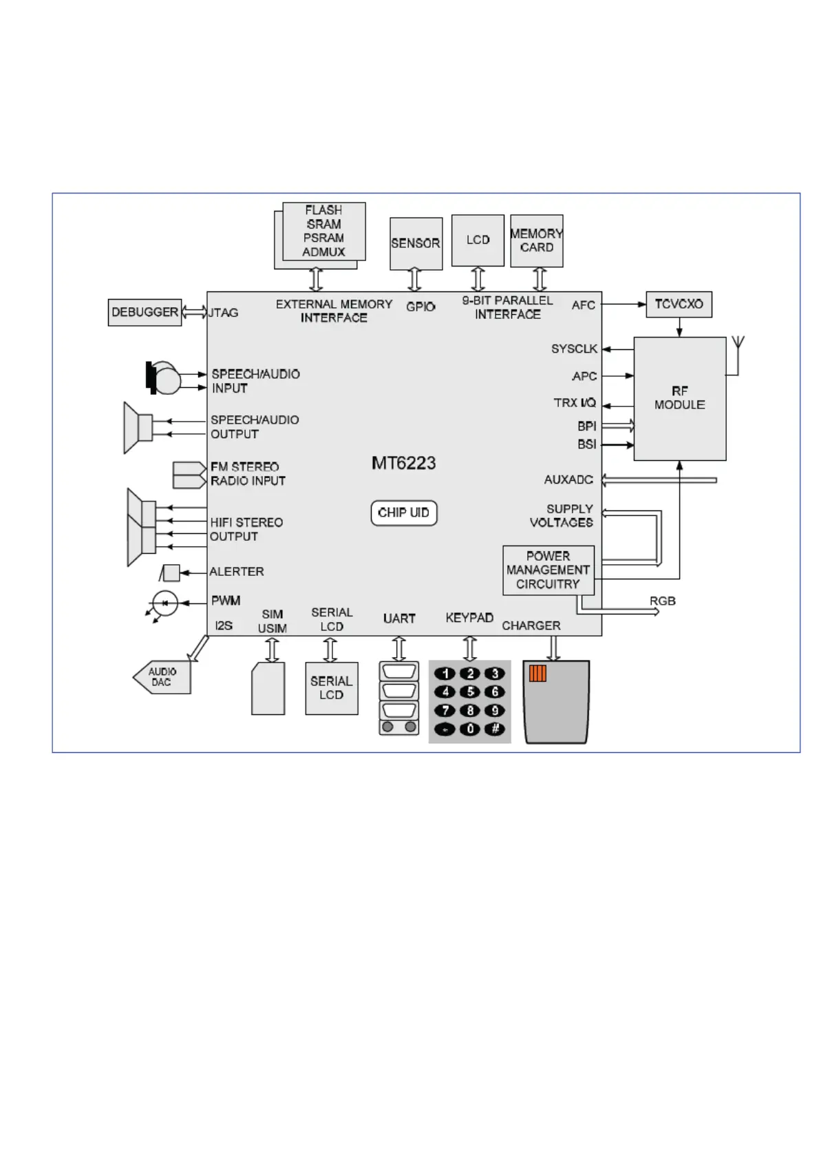
3.2Principle of base band circuit
3.2.1 Whole introduction of base band circuit
3.2.2 Explanation of power circuit and in-and-out circuit
Power source is provided by MTK MT6223A and periphery components, main function as below:
A.
B.
C.
2.8V-5.5V Input Range
Charger input up to 8V
Seven LDOs optimized for specific GSM Sub-systems
D.
E.
One LDO for RF transceiver
High operation efficiency and Low stand-by current
F. Li-Ion battery charge function
G. SIM Card interface
H. Two open-drain output switches to control the LED and vibrator
I. Three NMOS switches to control RGB LEDs
J. Thermal Overload Protection
K. Under Voltage Lock-out Protection
I. Over Voltage Protection
M. Power-on Reset and Start-up Timer

Related product manuals