EasyManua.ls Logo

FLYGT CLS - Connection Configurations for Alarm Behavior; Leakage Alarm Stops Pump; Leakage Alarm Provides Warning

FLYGT CLS
12 pages
Print Icon
To Next Page IconTo Next Page
To Next Page IconTo Next Page
To Previous Page IconTo Previous Page
To Previous Page IconTo Previous Page
Loading...
10
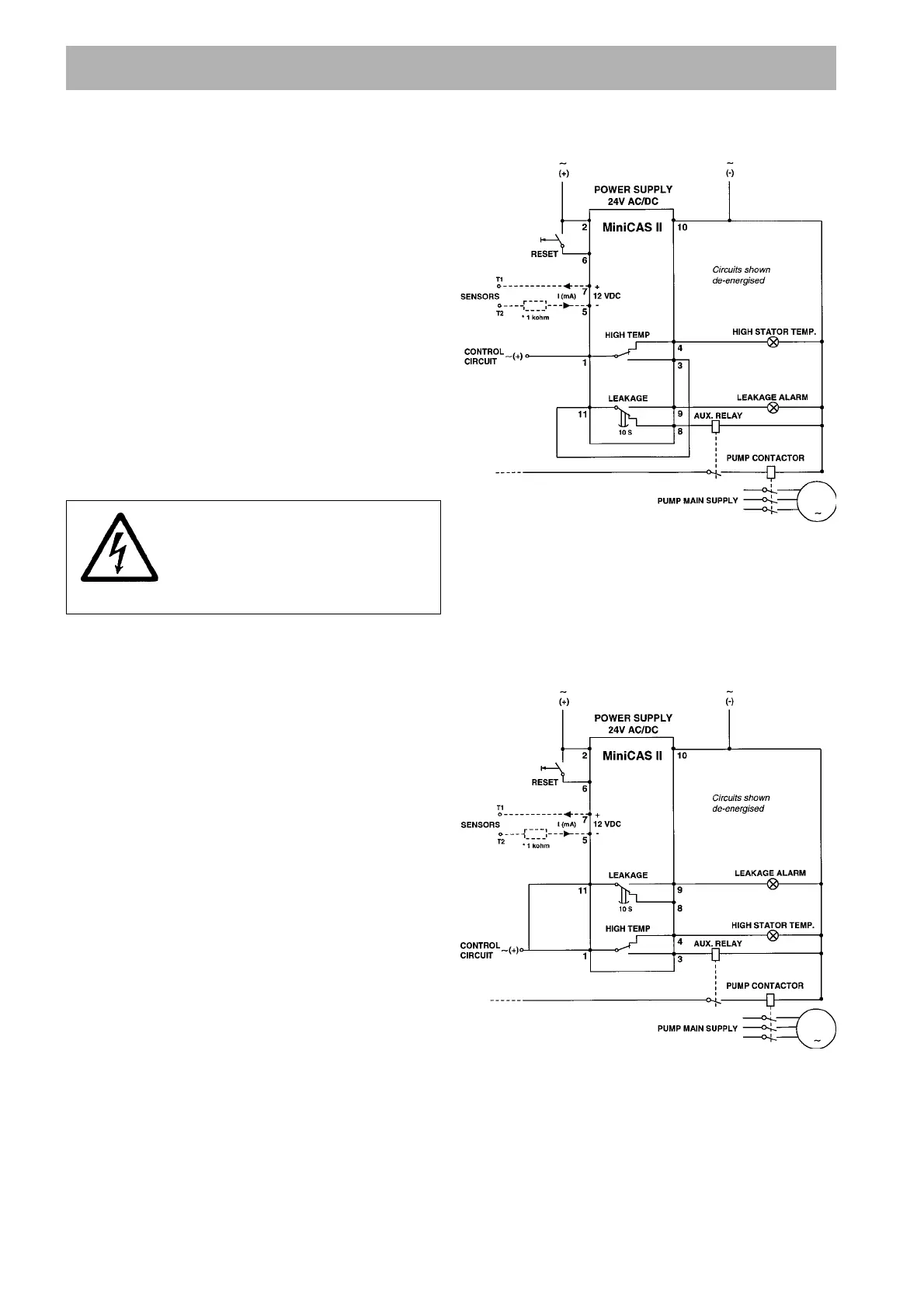
CONNECTIONS
Leakage alarm will stop the pump
This installation can be used if the leakage alarm shall
stop the pump.
It is recommended if the FLS sensor is used. The FLS
is detecting liquid in the stator housing, which is criti-
cal and requires a quick stop of the pump.
Leakage alarm will not stop the pump (only
warning)
This installation can be used if the leakage alarm shall
not stop the pump but give a warning on the Mini-
CASII.
It is recommended if FLS10 in inspection chamber or
CLS is used. These sensors detect liquid in the in-
spection chamber (FLS10) and water in the oil (CLS),
which is less critical than water in the stator housing.
FLS10 is used in the new midrange pump series, eg
3153, 3171 and 3202.
**) Fit resistor to avoid short circuit if only thermal contacts are
to be connected.
TECHNICAL DATA
WARNING:
Switch off power supply before
working with the MiniCAS II
socket. There may be a high
voltage at the socket connections.

Related product manuals