EasyManua.ls Logo

FLYGT FLS10 - Checking the sensor circuit and fault finding; Sensor current measurement using a multimeter; General procedure to check the status of the sensors

FLYGT FLS10
12 pages
Print Icon
To Next Page IconTo Next Page
To Next Page IconTo Next Page
To Previous Page IconTo Previous Page
To Previous Page IconTo Previous Page
Loading...
6
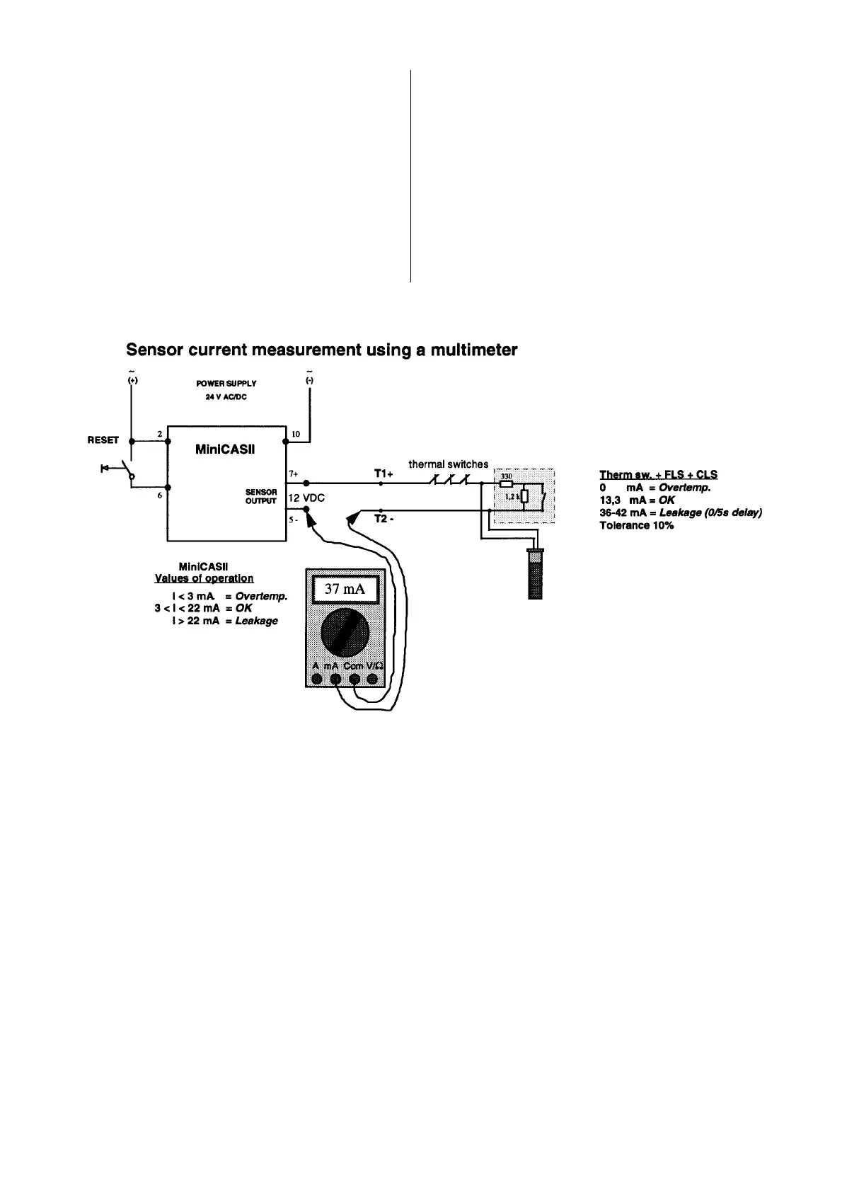
Connect a multimeter in series with the sensors or
use the ITT Flygt sensortester ST-1 (FD part no.
10-581700) to measure the current in the sensor
circuit. See figures below.
ST-1 is not yet prepared to handle the new sensor
FLS10.
The figures on page 2 is used as reference to deter-
mine the status of the sensors (sensor connections).
Circuits with CLS require some extra consideration.
Connected with wrong polarity the CLS draws a zero
current. The CLS can then be considered not connec-
ted.
Wrong polarity results in 0 mA for circuit (3). Circuit (4)
is reduced to the same as circuit (1).
As opposed to the FLS and FLS10, the CLS has a
built-in alarm delay of 5 seconds.
Since the MiniCASII has only one leakage indication
lamp, an alarm from the CLS or the FLS looks the
same.
For circuit (4), this means that a leakage alarm can
not be attributed to either of the two sensors just by
looking at the MiniCASII. To make out the tripping
sensor without lifting the pump, a measurement of the
sensor current is necessary.
General procedure to check the status of the sensors
1. Close the sensor circuit by connecting the multi-
meter test leads according to figure above or on
next page.
2. From the moment contact is made, observe the
sensor current for at least 5 seconds (to await a
possible CLS alarm current).
3. Switch polarity of the sensor leads (5, 7) and repeat
steps 1 and 2.
4. Identify the actual sensor circuit with the help of the
first page figure and analyse the sensors status.
5. In case circuit (4) is used: By using the wrong po-
larity and delay properties of the CLS, it is possible
to conclude if a leakage alarm is attributed to the
CLS or FLS.
6. To ensure that the polarity is right after the mea-
surement, restore the connection resulting in the
largest current.
Checking the sensor circuit and fault finding

Related product manuals