EasyManua.ls Logo

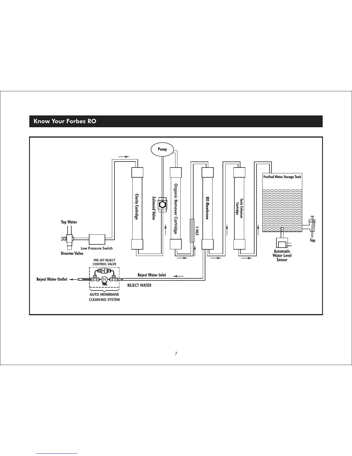
Forbes RO - Identifying Forbes RO Components

Forbes RO
19 pages
Print Icon
To Next Page IconTo Next Page
To Next Page IconTo Next Page
To Previous Page IconTo Previous Page
To Previous Page IconTo Previous Page
Loading...

Related product manuals