EasyManua.ls Logo

Fostex G16 - Page 109

Fostex G16
124 pages
Print Icon
To Next Page IconTo Next Page
To Next Page IconTo Next Page
To Previous Page IconTo Previous Page
To Previous Page IconTo Previous Page
Loading...
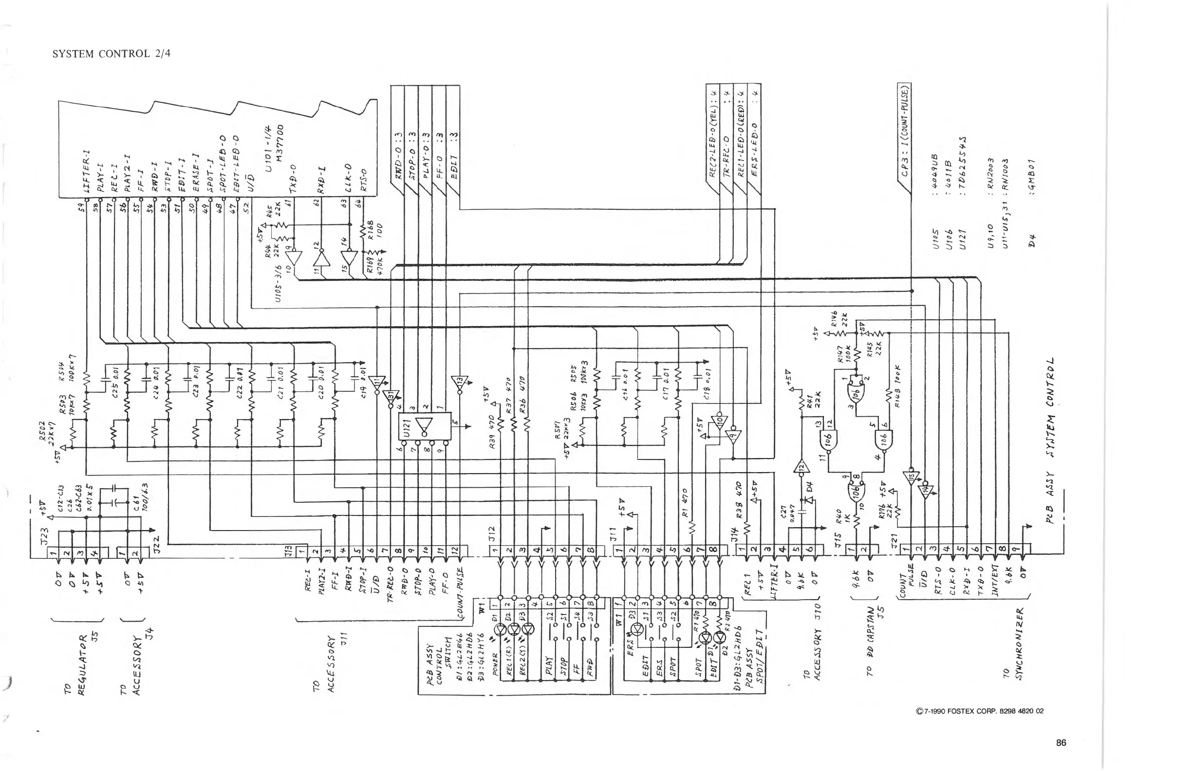
SYSTEM
CONTROL
2/4
©7-1990
FOSTEX
CORP.
8298
4820
02
p i
b
x iw
/W fM
control
86

Related product manuals