EasyManua.ls Logo

Fostex G16 - Page 111

Fostex G16
124 pages
Print Icon
To Next Page IconTo Next Page
To Next Page IconTo Next Page
To Previous Page IconTo Previous Page
To Previous Page IconTo Previous Page
Loading...
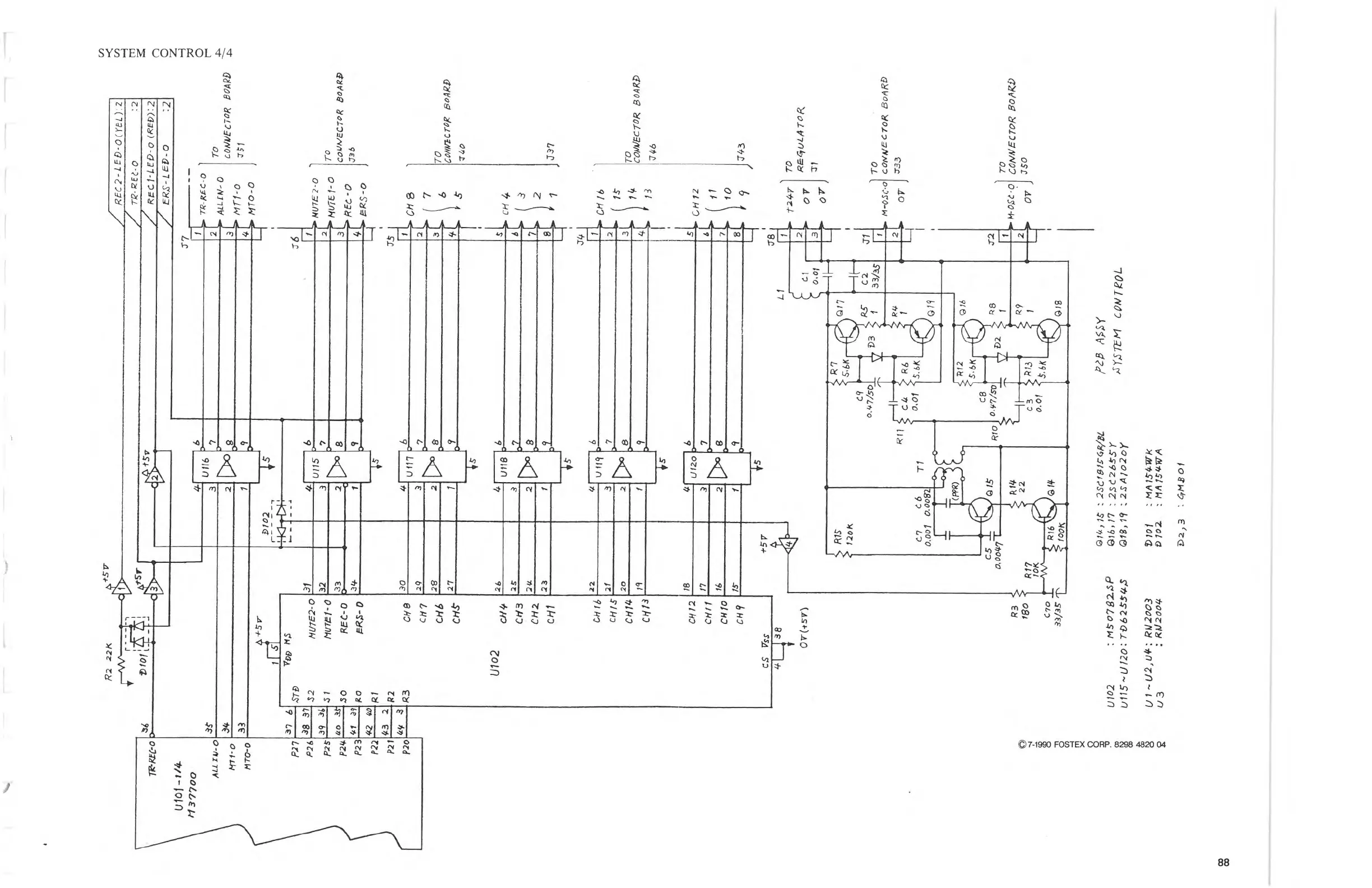
SYSTEM
CONTROL
4/4
88

Related product manuals