EasyManua.ls Logo

Fostex G16 - Page 113

Fostex G16
124 pages
Print Icon
To Next Page IconTo Next Page
To Next Page IconTo Next Page
To Previous Page IconTo Previous Page
To Previous Page IconTo Previous Page
Loading...
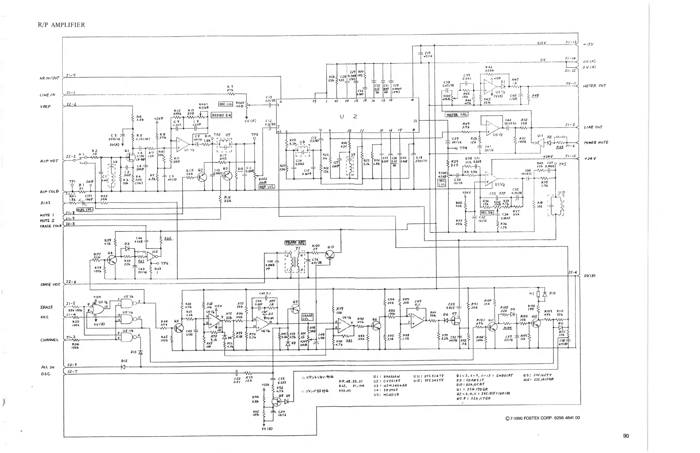
R/P
AMPLIFIER
NR
IN/OUT
LINE
IN
VREF
R/P
HOT
Up
COL&
^MS
MUTE
I
NUTE
Z
SiASE
COLP
ERASE
HOT
ERASE
REC
channel
ALL
|N
OSC
yi-ii
■+/FV
I
METER
CA
l
J
47kB
R49
3.9k
CZ9
33
/!
b
EE
w
zzo/io
k3l
3.9k
R25
5.
Ik
C2S
R50
k
C26
MM7
^0
LVL
RZ9
»Z0
C30
10/16
RZ7
6Y0
R46
2Z0k
OV
J/-/4
71-
IF
OV
(A)
O
V
(A)
«47
12-3
CPI
I
mas
lvi
I
0.0047
(**)
R/OO
¿7
C39
O.00I
R2^
430
C3?
OA7/S0
CI4
3.0022
A+ISV
{>1
R20
ri-L
UI
Vz
71-12
4-1
no
GW
E
TP
I
,
T2-S
R36
72-4
72-
b
Jl-S
RF6
100k.
M
012
OV
<B)
/so
PHb
10k»
100k
013
A
5
10k
Rf*
/.$k
R7S
ZOk
R
em
zok
rss
|0Ok
look
3.3
k
RfZ
3k
RIO
47k
RfOZ
/00k
£108
ITO
RO
ZZO
£33
ZZk
ZZk
RfOi
{Ok
R39
3.9k
R7I
8.3k
R9/
ZOk
R7b
Z.Zk
+
ISV
us
'4
10
m
'
i
k
TP^
9
r
-
-
R37
C34
33k
0.00
2Z
RI09
KUO
47k
33k
C5~0
0.0
=p
CÊX
Z±z
0.0OÍI
10/LL
'•»K
/C,
i»t
VA
-
72-9
R
Y
Z7k
lOkB
cis
2.2/w
F43
j
ISL
"
R44
+7k
U3
'/
2
DVM)
METER
OUT
OViA)
FAZ.
R.52
lOllbLL
220
71-2
LINE
OUT
ZZO/lb
OVCA)
t
RS
S./kCM)
ll-W
R7
I
00
27k
RJO
33kJ
RI7
470
R23
3k
R2¿
4.8k
tzi
o.o
ir
R30
C3I
IZk
0.039
MZ
39k
RS?
4.7k
0+
AS/
took
POWER
HUTE
CIS
0.003?
C44
3.06?
^
t
-
R40
C3T
Ç
T
pr
27k
0.0O2Z\
1
R58
I
00k
Rèo
ZZk
_L
urn
DIZ
n-
Of
3
zz/f6
£¿4
47
k
MS
I
00k
RZOZ
IQkß
I
REP
LVL|
R204>
X
47ki<*/
C3S
0.33/5D
C47
0.1
I
ERASE
APJ|
CSé
4.7/50
5
R66
4.7k
JUT
3.3k
C4é
O.DlZ
k
ps
oW>
m
K78
330
CAÌ
1/50
zok
W
/ZOk
zok
P6
°7
Z
47
k
0.0!
=}=
C53
0.033
R94
R9S
4?k.
|0/l<
OV
(B)
»»
07
Rir,4t,55,6l
R6Z,
»1,
104
U
I
i
PA4S6OA/
UZ'
CXZ0I87
U3
s
NJM3404AP
U4
:
IR370Z
US;
MC40IIB
U
II
:
PTC3Í4TF
UIZ:
PTC
343
TF
A/W
D
,
2Z
*
w-
zzili
OVCB>
O|~3,
1^1,
H-/3
!
GHBOIBT
PS
:
OPASTIT
PIO
!
PSE/OCBT
a
I
»
ZSNI7OGR
9Z^b,n,H
S
ZSClVSY/GKIBt.
»7,t
;
23R/I7GR
©9*
ZSCiiWY
Q/Oi
ZSC/t/^GK
©7-1990
FOSTEX
CORP.
8298
4841
00
90

Related product manuals