EasyManua.ls Logo

Fostex G16 - Page 115

Fostex G16
124 pages
Print Icon
To Next Page IconTo Next Page
To Next Page IconTo Next Page
To Previous Page IconTo Previous Page
To Previous Page IconTo Previous Page
Loading...
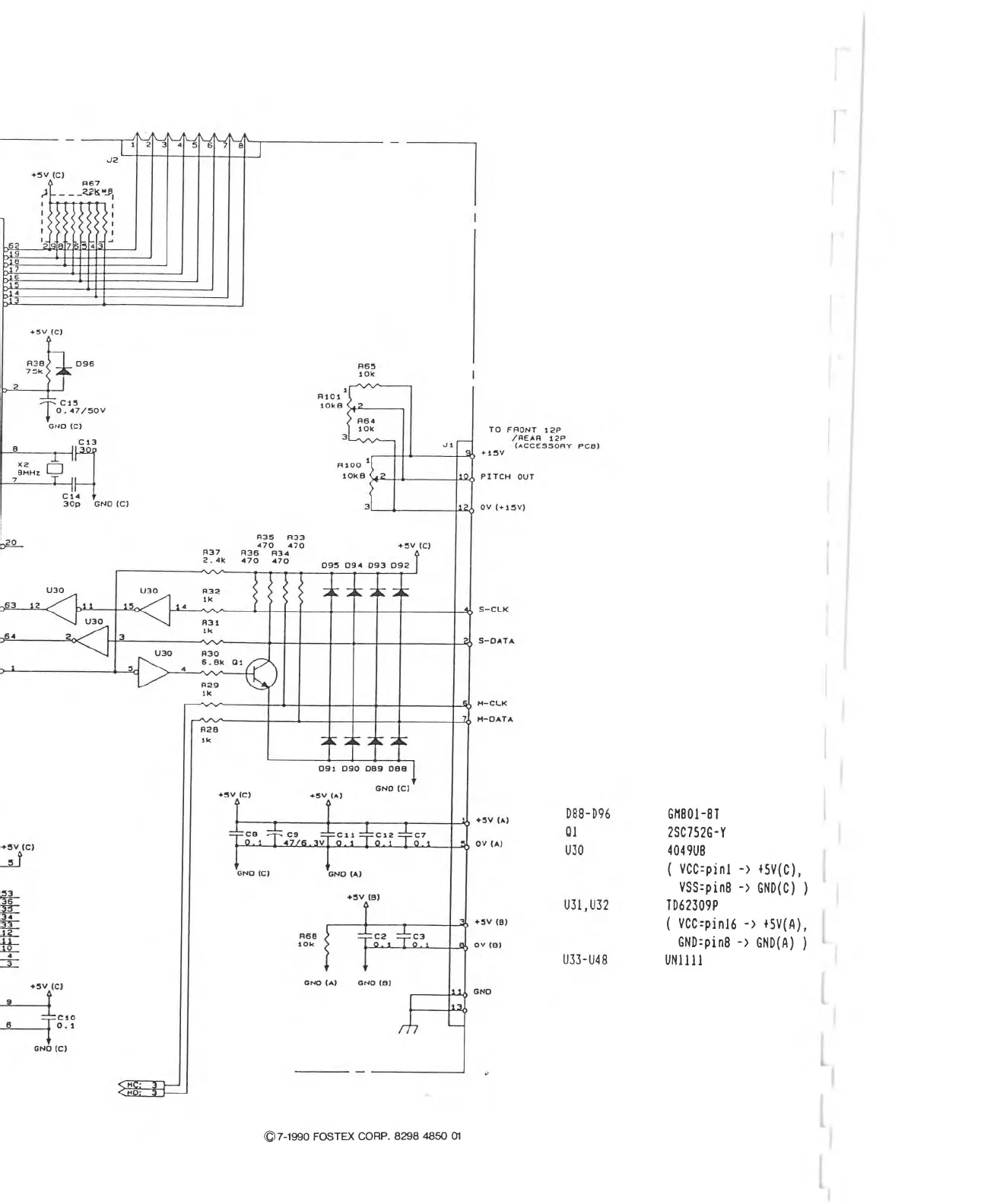
GMBOl-BT
2SC752G-Y
4O49U8
(
VCC=pinl
->
+5V(C),
VSS;pin8
->
GND(C)
)
TD62309P
(
VCC-pinl6
->
+5V(A),
GND:pin8
->
GND(ñ)
)
UN1111
©7-1990
FOSTEX
CORP.
8298
4850
01

Related product manuals