EasyManua.ls Logo

Fostex G16 - Page 117

Fostex G16
124 pages
Print Icon
To Next Page IconTo Next Page
To Next Page IconTo Next Page
To Previous Page IconTo Previous Page
To Previous Page IconTo Previous Page
Loading...
CONTROLLER
3/3
-----
<
m
C;
r-KEßi
5V
)
5V
(ß)
5V
iß]
5V
)
5V
)
5V
)
5V
(ß)
5V
)
5V
(8
5V
(ß)
SV
(ß)
SV
(ß
5V
(ß)
SV
(B)
+
5V
(8)
18
UJ
U3
U3
U3
U3
54;
»¿5
____________
SEGMENT23
SEGMENTA
SEGMENTAI
S
egm
E
n
T
ìo
K
,13
Ty
SV
(ß)
S
egment
19
segment
i>
SEG
m
ENT16
5V
(ß)
SV
(8)
5V
(ß)
+
5V
(8)
51-
50"
SEG
m
ENTIS
SEGMgNTrT
S
egment
Ì3
SEGMENT12
5V
(ß)
SEGMENTI
1
SEGMENT
SEGME
NT
„9/
SEGMENT
8/
SELECT
SELECT
SV
(B)
SO
¿a;
16
15
SEGMENT
7
SEG
m
E
n
T~6~
SEGMENT
5
SEGMENT
4
S
egment
SEG
m
E
n
Y"
2~
SEGMENT
1
SEGMENT
0
OIGIT12
0IGIT11
OIGIT1O
DIGIT
OIGIT
DIGIT
OIGIT
OIGIT
DIGIT
DIGIT
OIGIT
OIGIT
8*7
AO
9
8
6
SV
(C)
NR
OUT
ERROR
55.
GNO
(C)
A
VOO
VAREF
AN6
ANS
AN
3
AN2
ANI
ANO
AVSS
RODEO
INTI
*
LS.
WA
RO
12MHz
33
32
31
30
29
28
27
23
^0
40
,39
^38
y
CPU
SELECT
ERROR
3
2
VOO
VSS
©7-1990
FOSTEX
CORP.
8298
4850
03
58
.56.
0.
47/50V
GNO
(C)
GNO
(C)
R27
910
0291
NR
OFF
GNO
(A)
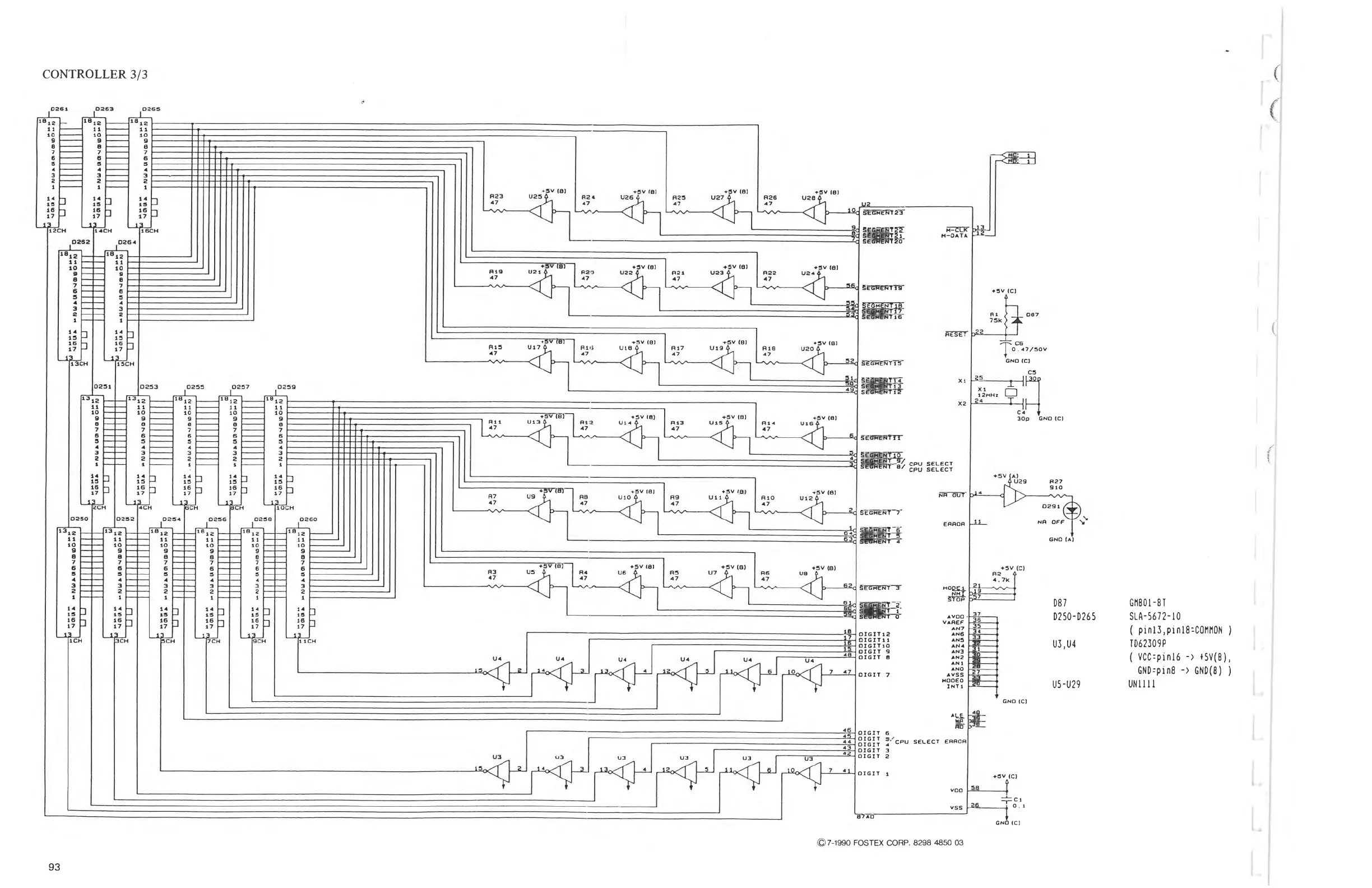
D87
D250-D265
U3,U4
U5-U29
GMB01-8T
SLfi-5672-10
(
pin!3,pinl8*C0MM0N
)
TD62309P
(
VCC:pinl6
->
+5V(B),
GND-pin8
->
GND(B)
)
UN1111
SV
(C)
L=C1
_
0-1
GNO
(C)
93

Related product manuals