EasyManua.ls Logo

Fostex G24S - Page 37

Fostex G24S
107 pages
Print Icon
To Next Page IconTo Next Page
To Next Page IconTo Next Page
To Previous Page IconTo Previous Page
To Previous Page IconTo Previous Page
Loading...
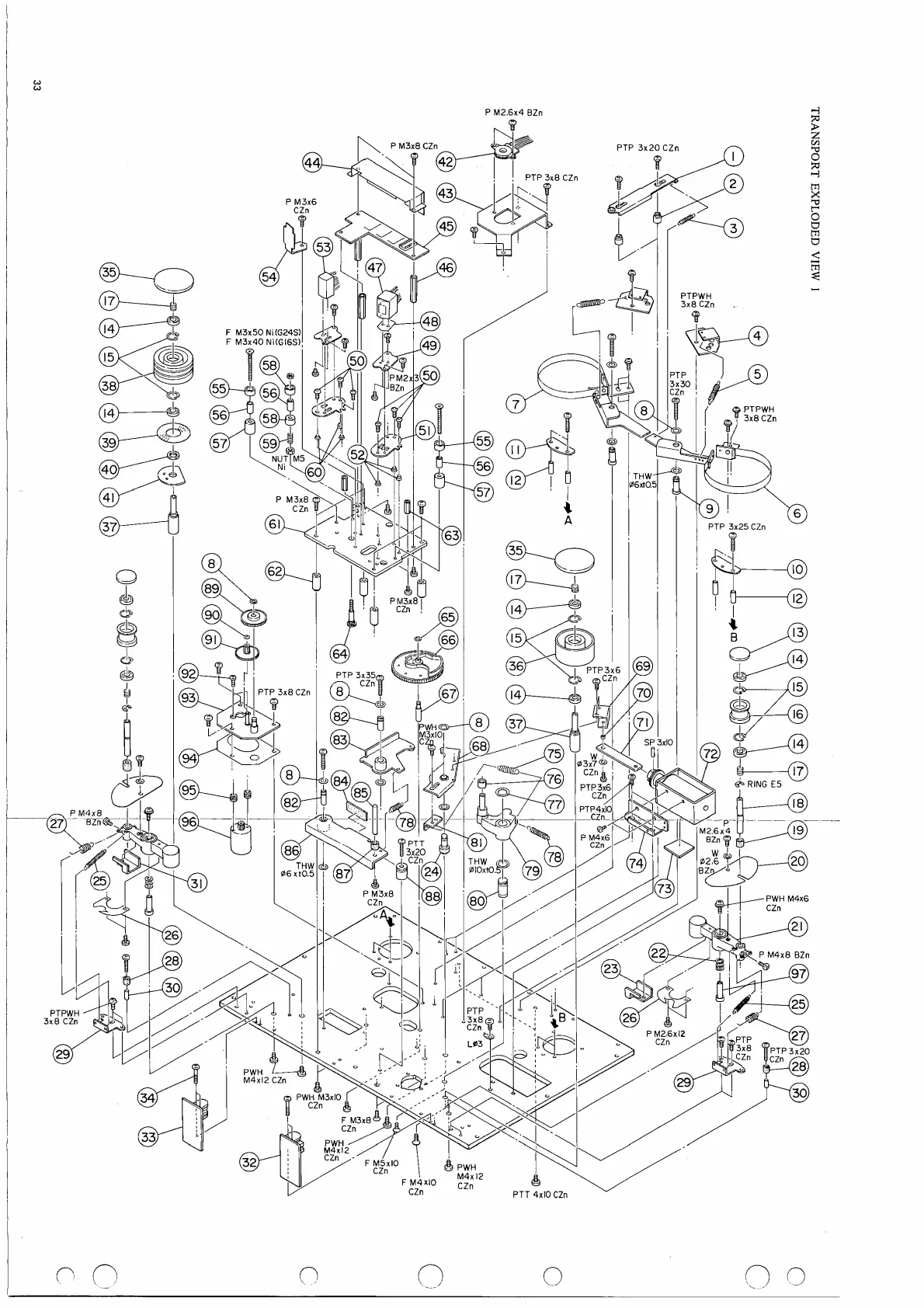
P
M2.6x4
BZn
TRANSPORT
EXPLODED
VIEW
1

Other manuals for Fostex G24S