EasyManua.ls Logo

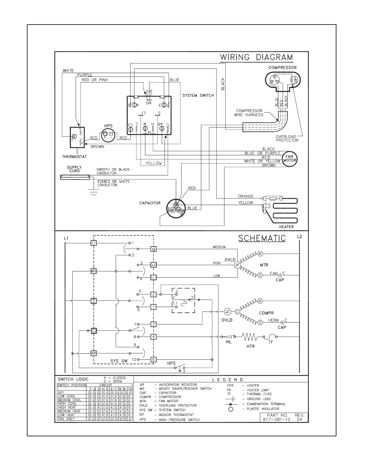
Friedrich WS08B10A-A - WE16 B33 A-A Wiring Diagram

Friedrich WS08B10A-A
30 pages
Print Icon
To Next Page IconTo Next Page
To Next Page IconTo Next Page
To Previous Page IconTo Previous Page
To Previous Page IconTo Previous Page
Loading...
24
WIRING DIAGRAM: MODELS WE16B33A-A