EasyManua.ls Logo

Frigidaire FEB386WE - Page 9

Frigidaire FEB386WE
9 pages
Print Icon
To Previous Page IconTo Previous Page
To Previous Page IconTo Previous Page
Loading...
FEB386WE Pub li ca tion No.
5995318275
# = Func tional Part 9 02/99
* = Non-Illustrated Part
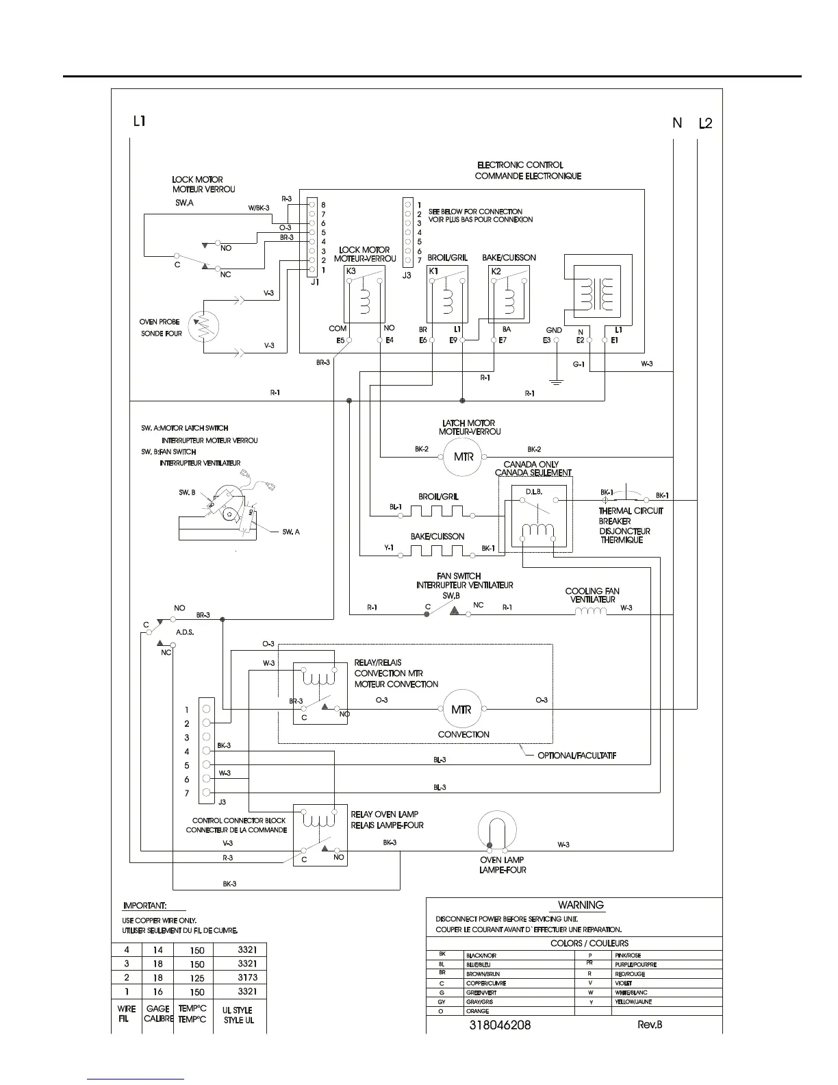
WIRING DI A GRAM

Related product manuals