EasyManua.ls Logo

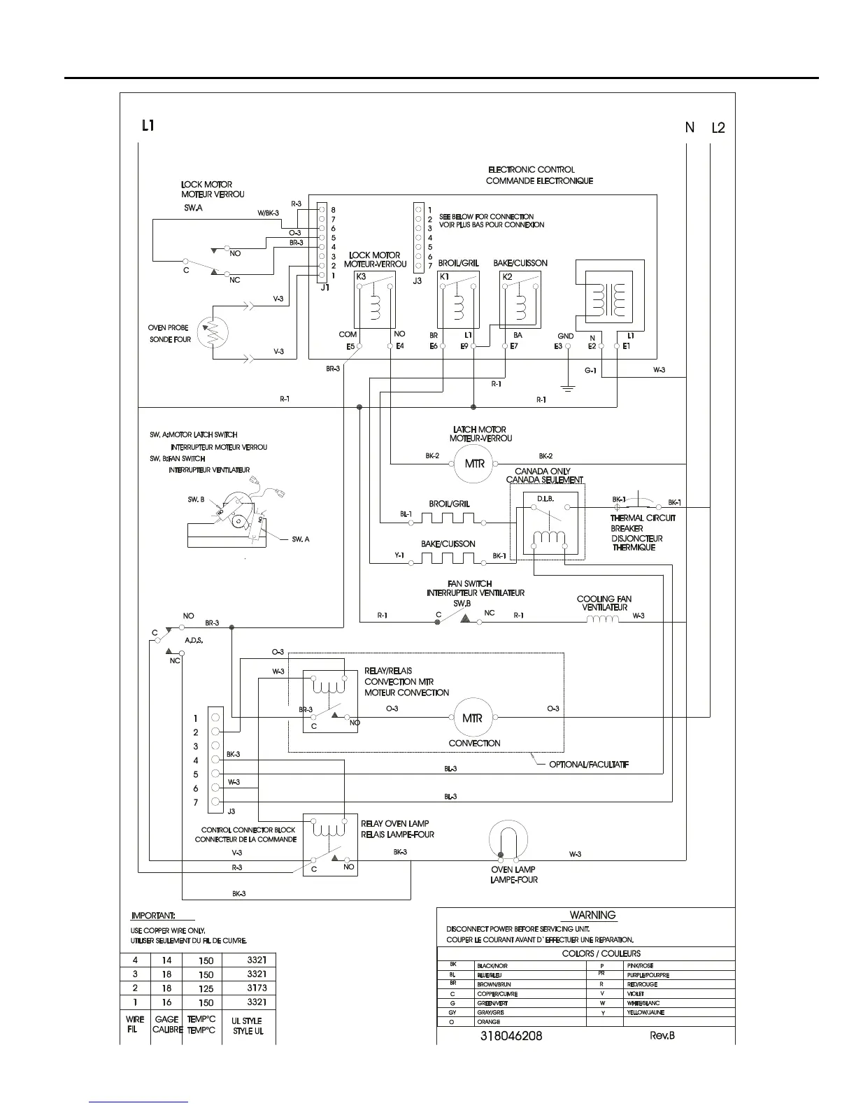
Frigidaire FEB386WECH - Frigidaire Oven Wiring Diagram; Wiring Diagram Details and Warnings

Frigidaire FEB386WECH
10 pages
Print Icon
To Previous Page IconTo Previous Page
To Previous Page IconTo Previous Page
Loading...
FEB386WE Pub li ca tion No.
5995333100
# = Func tional Part 10 02/00
* = Non-Illustrated Part
WIRING DI A GRAM

Related product manuals