EasyManua.ls Logo

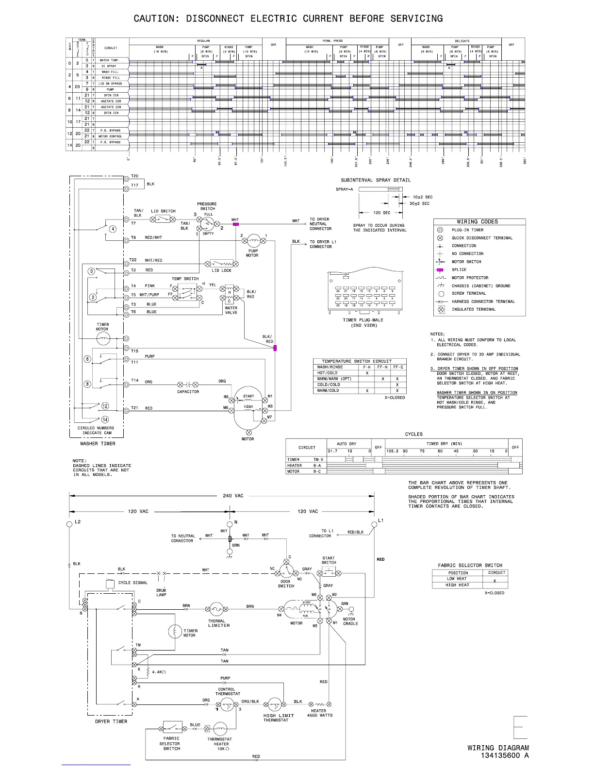
Frigidaire FEX831C - Wiring Diagram

Frigidaire FEX831C
14 pages
Print Icon
To Previous Page IconTo Previous Page
To Previous Page IconTo Previous Page
Loading...

Related product manuals