EasyManua.ls Logo

Frigidaire FRS23W3A - Page 21

Frigidaire FRS23W3A
23 pages
Print Icon
To Next Page IconTo Next Page
To Next Page IconTo Next Page
To Previous Page IconTo Previous Page
To Previous Page IconTo Previous Page
Loading...
# = Fast-moving Parts 21 02/02
* = Non-Illustrated Parts
FRS23W3A*5 Publication No.
5995366761
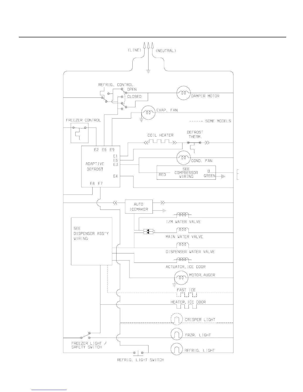
WIRING SCHEMATIC

Related product manuals