EasyManua.ls Logo

Frigidaire GLRT182SA - Page 11

Frigidaire GLRT182SA
11 pages
Print Icon
To Previous Page IconTo Previous Page
To Previous Page IconTo Previous Page
Loading...
# = Fast-moving Parts 11 02/02
* = Non-Illustrated Parts
GLRT182SA Publication No.
5995365169
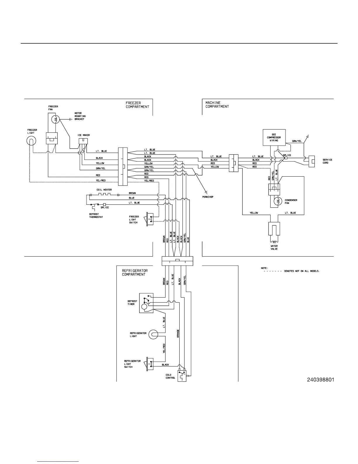
WIRING DIAGRAM

Related product manuals