EasyManua.ls Logo

Friulinox AF7 - Page 48

Default Icon
Print Icon
To Next Page IconTo Next Page
To Next Page IconTo Next Page
To Previous Page IconTo Previous Page
To Previous Page IconTo Previous Page
Loading...
49
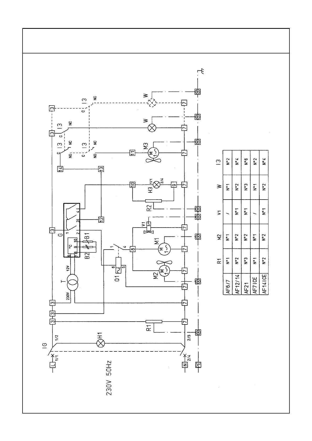
SCHEMI ELETTRICI SCHEMA ELECTRIQUE
WIRING DIAGRAM LEDNINGSDIAGRAM
SCHALTSCHEMA ELEKTRISCHE SCHEMA
01/03/01
711.151.0
AF6 / 7 / 12 / 14 / 21 + F7 / 14 ICE

Table of Contents

Related product manuals