EasyManua.ls Logo

Fujitsu ARTG60LHTA

Fujitsu ARTG60LHTA
30 pages
To Next Page IconTo Next Page
To Next Page IconTo Next Page
To Previous Page IconTo Previous Page
To Previous Page IconTo Previous Page
Loading...
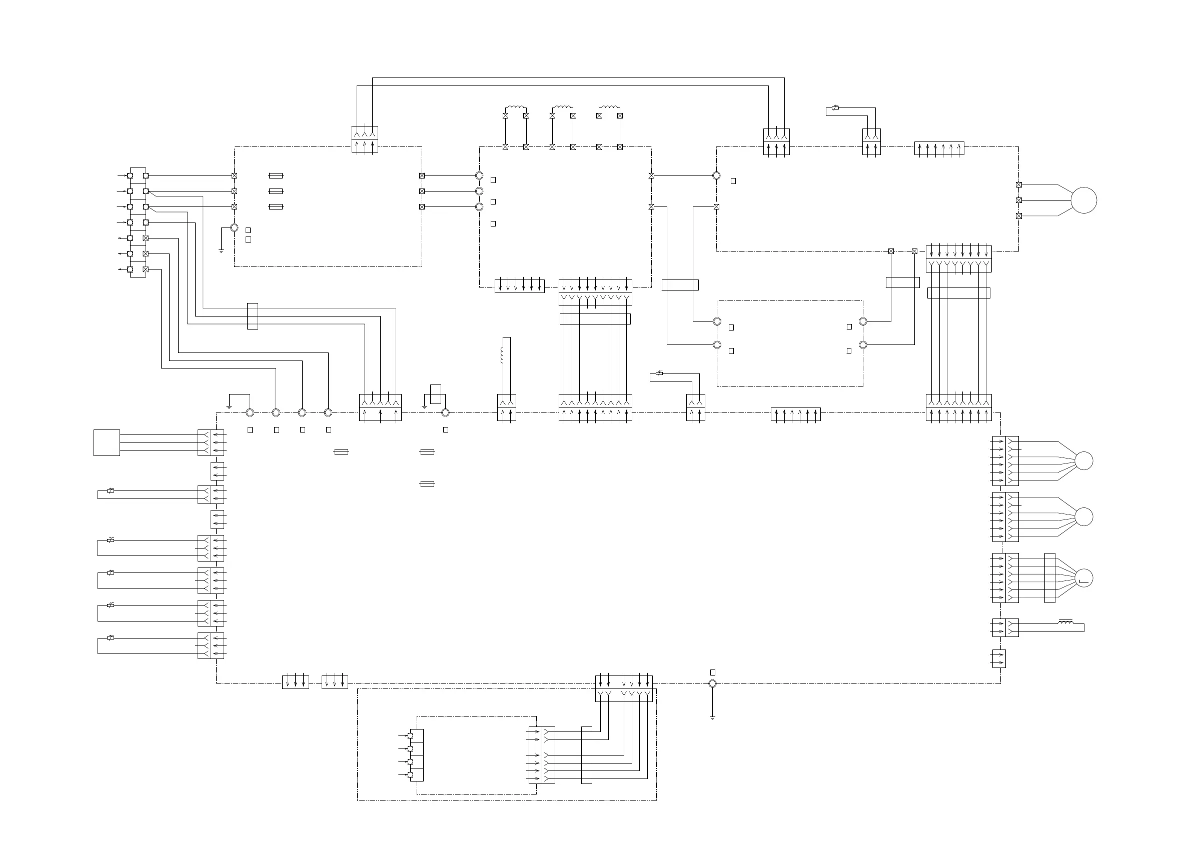
COMPRESSOR
C M
F M
F M
M
4-WAY VALVE COIL
RED
BLACK
WHITE
YELLOW
BROWN
RED
BLACK
WHITE
YELLOW
BROWN
RED
BROWN
BLUE
ORANGE
YELLOW
WHITE
BLACK
BLACK
RED
WHITE
BLACK
GRAY
WHITE
WHITE
WHITE
WHITE
WHITE
UL1015
AWG16
GREEN
EARTH
1
2
3
4
5
6
1
2
3
4
5
6
1
2
3
4
5
6
1
2
1
2
1
2
3
1
2
1
2
1
2
1
2
3
1
2
3
1
2
3
1
2
3
1
2
7
4
5
6
1
2
3
4
5
6
7 8 9
1
2
1
3
5
1
2
1
2
3
4
5
6
1
2
3
4
5
6
7 8
1
2
3
4
5
6
7 8
1
2
3
1
2
1
2
3
4
5
6
1
2
3
4
5
6
1
2
3
4
5
6
7 8 9
1
2
3
1
2
3
1
2 3
1
2 4
5
6
7
CN14
B6 ( 7-3 ) B-XN I RK-B-2
RED
EX. I N
EX. OUT
CN19
B03B-XAKK-1-A
BLACK
CN18
B03B-XASK-1-A
WHITE
CN7
1971032-8
WHITE
CN6
B06B-PASK
WHITE
FLASH
CN23
1-1971032-2
RED
CN101
B3P5-VH-B
WHITE
CN801
1971032-8
WHITE
CN800
B06B-PASK
WHITE
FLASH
CN803
1-1971032-2
RED
CN802
2-1871843-3
BLUE
CN630
1971032-9
WHITE
CN650
B06B-PASK
WHITE
FLASH
CN200
2-1871843-3
BLUE
F3
10A
250V
F1
5A
250V
F2
3.15A
250V
W9
B
W5
B
W1
B
W3
B
W4
B
SERIAL
W6
B
EARTH
CN16
1871843-3
WHITE
CN21
2-1971032-2
BLUE
( THERMISTOR ( SUCTION TEMP. ) )
CN22
1971032-2
WHITE
( THERMISTOR ( EXPANSION VALVE TEMP. ) )
CN20
3-1971032-2
YELLOW
CN25
1-1971032-3
RED
CN24
3-1971032-3
YELLOW
CN27
2-1971032-3
BLUE
CN26
1971032-3
WHITE
CN81
B6P-VH-B
WHITE
CN82
B6P-VH-B-C
BLACK
CN17
B6B-XARK-1-A
RED
CN103
1749052-1
WHITE
CN104
3-1747052-4
YELLOW
( EXPANSION VALVE COIL / HEATER )
ELECTRIC EXPANSION VALVE COIL
DC FAN MOTOR
( LOWER )
DC FAN MOTOR
( UPPER )
EARTH
EARTH
W206
B
E
L3 I N
TM202
L2 I N
TM201
L1 I N
TM200
P200
P201
P202
L1 I N
W300
B
L2 I N
W301
B
L3 I N
W302
B
TM300
TM500
TM301
TM501 TM302
TM502
DC +OUT
TM504
N OUT
TM505
DC + I N
W800
B
TM801
P
OUT
TM804
U
TM805
V
TM806
W
TM802
P
I N
TM803
N I N
P OUT
W702
B
N OUT
W703
B
P I N
W700
B
N I N
W701
B
UL3271
AWG12
WHITE
UL3271
AWG12
RED
UL3271
AWG12
BLACK
UL1015
AWG12
YELLOW
UL1015
AWG12
BLUE
UL1007
AWG24
CN1
B6 ( 7-3 ) B-XN I RK-B-2
RED
TM1
ML-41-S1BYF-4P
UL1015
AWG16
GREEN
UL1015
AWG16
GREEN
UL1015
AWG20
BLACK
UL1015
AWG20
BLACK
UL1015 AWG20 BLACK
UL1015 AWG20 BLUE
UL1015 AWG20 WHITE
UL1007 AWG24 BROWN
UL1007 AWG24 RED
UL1007 AWG24 ORANGE
UL1007 AWG24 YELLOW
UL1007 AWG24 GREEN
UL1007 AWG24 BLUE
UL1015
AWG12
PURPLE
UL1015
AWG12
ORANGE
UL1015
AWG12
ORANGE
UL1015
AWG14
BLACK
UL1015
AWG14
BLACK
UL1015
AWG14
WHITE
UL1015
AWG14
WHITE
UL1015
AWG14
RED
UL1015
AWG14
RED
UL1015
AWG14
RED
UL1015
AWG14
WHITE
UL1015
AWG14
BLACK
UL1007
AWG24
BLACK
UL1007
AWG24
WHITE
UL1015
AWG20
BLACK
UL1015
AWG20
WHITE
UL1015
AWG20
RED
UL1015
AWG14
BLACK
UL1015
AWG14
WHITE
UL1015
AWG14
RED
UL1015
AWG16
GREEN
BLUE
BLACK
WHITE
RED
UL1007 AWG24 BROWN
UL1007 AWG24 RED
UL1007 AWG24 ORANGE
UL1007 AWG24 YELLOW
UL1007 AWG24 GREEN
L3 OUT
TM205
L2 OUT
TM204
L1 OUT
TM203
L1
L2
L3
N
1
2
3
PRESSURE SENSOR
P S
THERMISTOR ( PIPE - M I D. TEMP. )
THERMISTOR ( PIPE TEMP. )
THERMISTOR ( DISCHARGE TEMP. )
THERMISTOR ( COMP. TEMP. )
THERMISTOR ( OUTDOOR TEMP. )
THERMISTOR ( HEATSINK TEMP. )
REACTOR
3A 17mH
REACTOR
L1
REACTOR
L3
REACTOR
L2
1
2
3
C
THERMISTOR ( HEATSINK TEMP. )
TO SMART METER
CAPACITOR PCB
K07AP-0700HUE-P0
FILTER PCB
K07AQ-0700HUE-FL0
ACTIVE FILTER PCB
K11BZ-1100HUE-AF0
TRANSISTOR PCB
K11CA-1200HUE-TR1
MAIN PCB
AOTG45LAT
T : K11BU-1101HUE-C1
AOTG54LAT
T : K11BU-1102HUE-C1
AOTG60LAT
T : K11BU-1103HUE-C1
COMMUNICATION PCB
K10BQ-1200HUE-CA0
EMI FILTER
GRFC-8
2 T
DEMAIND UNIT ( OPTION )
EMI FILTER
GRFC-8
1 T
EMI FILTER
ZCAT
1518-0730
2 T
EMI FILTER
GRFC-10
1 T
I NDOOR UNIT
POWER SOURCE
AC380 - 415V
50Hz
EMI FILTER
GRFC-10
1 T
EMI FILTER
ZCAT
1518-0730
2 T
EMI FILTER
ZCAT
1518-0730
1 T
EMI FILTER
ZCAT
2132-1130
2 T
12A 18mH
x 3
INVERTER ASSEMBLY
AOTG45LATT : EZ-01121HUE
AOTG54LAT
T : EZ-01122HUE
AOTG60LAT
T : EZ-01123HUE
OUTDOOR PCB
CIRCUIT DIAGRAM
2012.04.13 10

Other manuals for Fujitsu ARTG60LHTA

Related product manuals