EasyManua.ls Logo

FUNAI DPVR-2700 - Page 82

FUNAI DPVR-2700
99 pages
Print Icon
To Next Page IconTo Next Page
To Next Page IconTo Next Page
To Previous Page IconTo Previous Page
To Previous Page IconTo Previous Page
Loading...
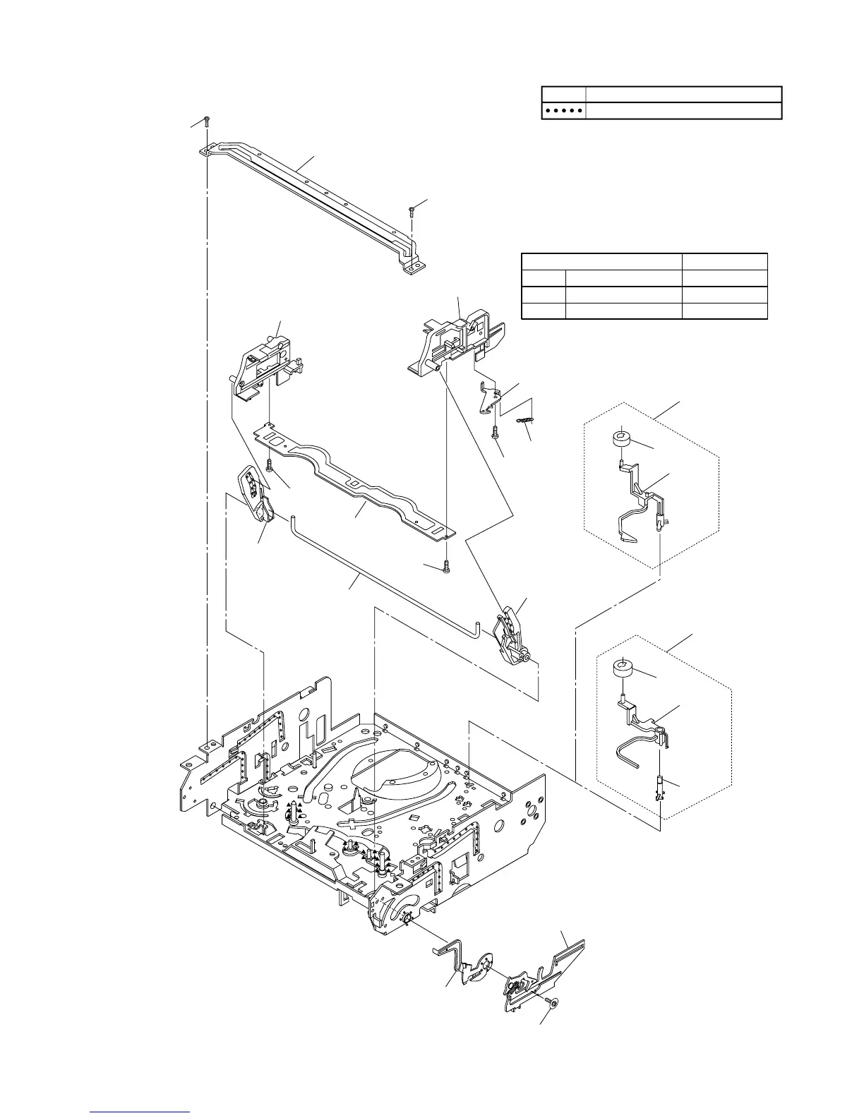
3-1-6 U25PALDEX
Deck Mechanism View 3
Some Ref. Numbers are not in sequence.
Mark Description
Floil G-374G
(Blue grease)
B303
B514
B555
B563
B300
B562
B482
B355
B354
B483
B425
L1461
L1341
L1341
L1321
B347
L1321
B359
B529
B360
B361
B359
B529
B360
Type B
Type A
Note: There are two different, but interchangeable
types of CLEANER LEVER(B359) in this model,
and have different combination with B361. Please
see Table 1 for details and combination. (Refer to
DECK PARTS LIST section.)
B361B359 CLEANER LEVER
Type Part No. Part No.
A 0VM411114
Not used
0VM304413
0VM305090
B
Table 1 (B359 and B361 Combination)

Related product manuals