EasyManua.ls Logo

Funbikes QD03 - Electrical System; Circuit Diagram

Default Icon
22 pages
Print Icon
To Next Page IconTo Next Page
To Next Page IconTo Next Page
To Previous Page IconTo Previous Page
To Previous Page IconTo Previous Page
Loading...
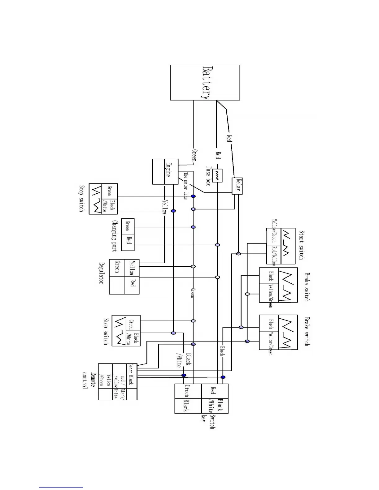
CIRCUIT DIAGRAM for electric start model

Related product manuals