EasyManua.ls Logo

G4S M2150 8DC - 8 DC Connection Details; Reader Wiring Configurations; Exit and Door Monitoring Connections; Database Unit and Controller Connectivity

G4S M2150 8DC
2 pages
Print Icon
To Previous Page IconTo Previous Page
To Previous Page IconTo Previous Page
Loading...
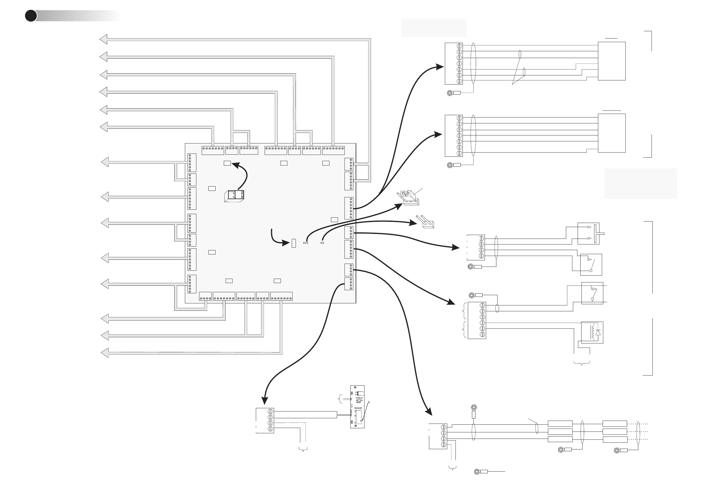
0V
+12Vdc
Power
supply input
Use supplied cable
COMMS-
COMMS+
0V
+12V
Ground one end only
Controller
COMMS-
0V 0V
COMMS+
3000ft (1km) max; Belden 9502
Twisted
pair
COMMS+
COMMS-
Cabinet
Make sure the building ground is
connected to a ground stud in the cabinet.
Connect to AC MONITOR terminal block
on power supply board (if used). If this
connection is not made, a "Power Fail"
alarm will be generated at the PC each
time the system re-starts.
Polarity unimportant
Connect to ac input of
Power Supply Board
(polarity unimportant)
+
-
TAMP
AC MON+
AC MON -
TAMP
TAMPER SWITCH
AND POWER
INDICATOR
-
+
OR
450ft (150m) max with Belden 9503, or 900ft
(300m) by doubling power cores with Belden 9504.
+V
Rx-
Rx+
Tx+
Tx-
0V
20mA
Twisted
pairs
Cabinet
0V
Rx-
Rx+
Tx+
Tx-
12V
Note: Actual output voltage
nominally 13V at each reader
terminal block.
12V
Green LED
Data 1
Red LED
Data 0
Ground
Wiegand
Cabinet
0V
0
RED
1
GRN
12V
225ft (75m) max with Belden 9537, or 450ft (150m)
by doubling power cores with Belden 9539.
READER 4 (20mA/Wiegand)
(500mA max)
Two readers at one door -
numbered reader for entry reader and next even-
numbered reader for exit reader. Door furniture
connects to corresponding odd-numbered door.
Use an odd-
20mA
Wiegand
READER 2
(20mA/Wiegand)
READER 1
(20mA/Wiegand)
READER 3
(20mA/Wiegand)
DOOR 2
DOOR 1
DOOR 3
READER 8
(20mA/Wiegand)
READER 5
(20mA/Wiegand)
READER 7
(20mA/Wiegand)
READER 6
(20mA/Wiegand)
DOOR 8
DOOR 5
DOOR 7
DOOR 6
FIT WIM-8 IF
USING WIEGAND
READERS
BYPASS
Bypassed Device
(optional)
(28Vdc, 3A max)
Door Monitor
Exit Request
Button
(optional)
Connect to Normally Open
(NO) or Normally Closed
(NC), as appropriate.
Cabinet
Cabinet
DOOR 4
Door Release
(28Vdc, 3A max)
Ensure release is
noise suppressed
+V 0V
Power supply (see Access
Control Design Guide)
NO
NO
C
C
NC
NC
RELEASE
1500ft (500m) max; 24 AWG
1500ft (500m) max; 24 AWG
DOOR-
EXIT-
EXIT+
DOOR+
Reader 6 Reader 5
Reader 3
Reader 4
Reader 2
Reader 7
Reader 8
Reader 1
W
C
Set reader's switch
to "C" for 20mA or
"W" for Wiegand.
Note: UL compliance requires power-
limited and non-power-limited wiring
to be separated by at least 0.25”
(7mm). Please refer to the cabinet
EXIT-
Note: The board contains an
automatically-resettable fuse for
each reader.
must remove the load completely
before the fuse resets.
If a fuse trips, you
Set Address - When the 8DC is connected to a DBU, its address
can be 1 or 5. When connected to any other database unit, its
address must be 5. Link the center and left pins to set to address
1. Link the center and right pins to set to address 5 (readers 9-
16). An 8DC occupies four addresses (i.e. 1-4, or 5-8).
DO NOT LINK THESE PINS
(RS485 TERMINATION)
Short tamper
terminals if a
tamper switch
is not used.
8DC Connection
2
Database unit
CONNECTIONS TO DATABASE UNIT AND OTHER
OPTIONAL REMOTE DOOR/ALARMS CONTROLLERS
Notes:
1). Consult local AHJ (Authority Having Jurisdiction) when installing access control readers and
locking mechanisms to any portal in an egress path.
2). The use of Fail Closed / secure configuration shall be determined by local building codes and the
local AHJ.
3). Wiring methods shall be in accordance with NEC (National Electrical Code) ANSI/NFPA 70.
4). This device must be installed within the secure area / perimeter for UL1076 and UL294 Listed
installations.
5). Installer must provide Network Surge Protection by installing (per manufacturers installation
instructions) 1 each APC PNet1GB Ethernet surge protection device in line with the RJ-45 Ethernet
connector on this board prior to connecting this board to the local or wide area network.
6). For Access Control Systems in a “Stand Alone” configuration only, the following Power supplies
are to be installed: Model MN-PSU-6A and MN-TRANS-150-UL transformer. Any additional power
supply used (e.g. for door releases and auxiliary outputs) must be power limited, UL listed for Access
Control Systems and Accessories. All interconnecting devices must be UL Listed.
7). Some devices described in these instructions may not be applicable for sites requiring UL
compliance. Please refer to the Access Control Design Guide for details of the controllers, modules
and features that have been UL tested for use with this device.
WARNING: Incorrect connections will
permanently damage the board.

Related product manuals