EasyManua.ls Logo

Garmin 18 - Page 9

Garmin 18
12 pages
Print Icon
To Next Page IconTo Next Page
To Next Page IconTo Next Page
To Previous Page IconTo Previous Page
To Previous Page IconTo Previous Page
Loading...
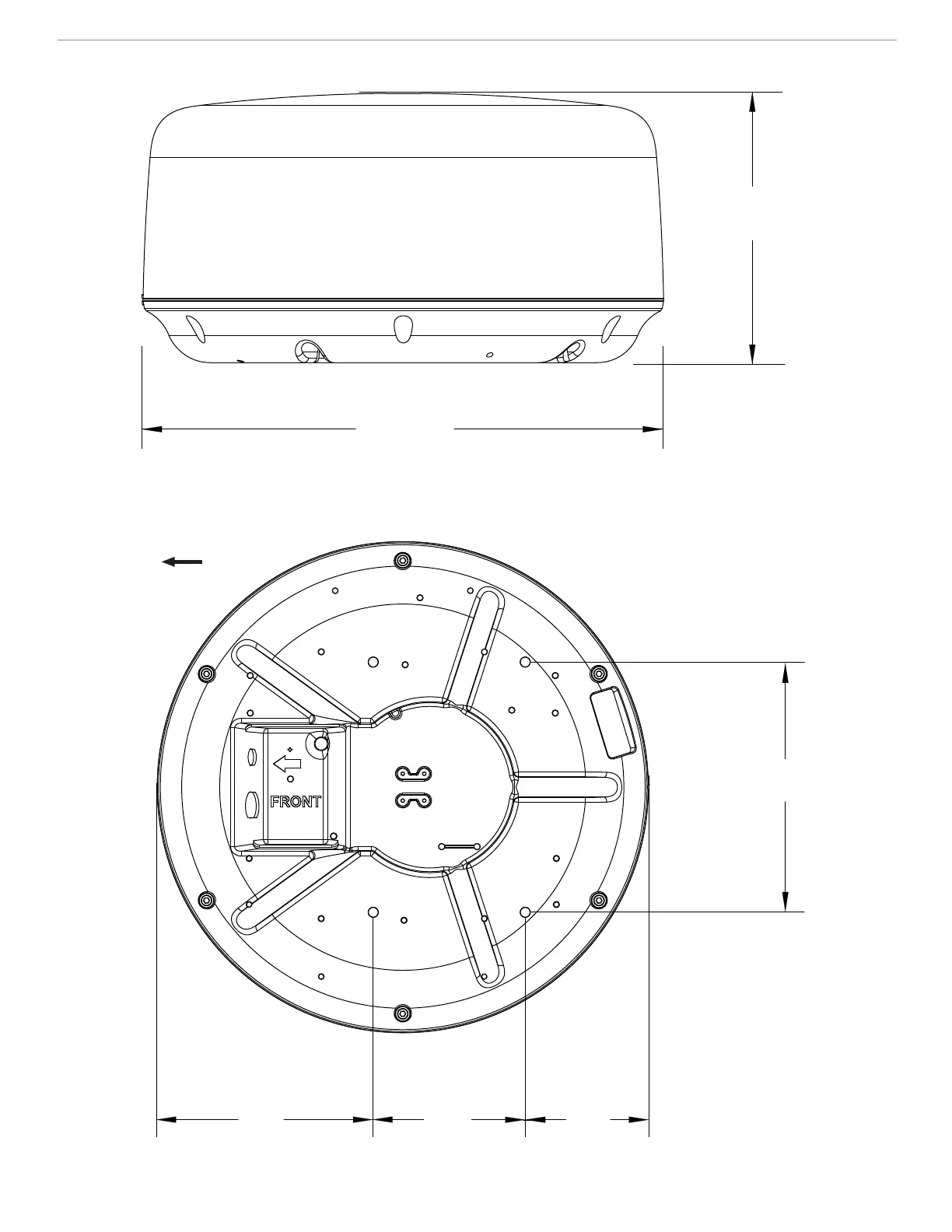
GMR 18 Marine Radar Installation Instructions
7
(236.4 mm)
9.31"
(457 mm)
18"
(233.0 mm)
9.17"
(114 mm)
4.49"
(141.5 mm)
5.57"
(201.5 mm)
7.93"
Towards Bow

Related product manuals