EasyManua.ls Logo

Gastro-Cool ELDC300 - Page 46

Gastro-Cool ELDC300
Print Icon
To Next Page IconTo Next Page
To Next Page IconTo Next Page
To Previous Page IconTo Previous Page
To Previous Page IconTo Previous Page
Loading...
46
English
All appliance-speci c data have been determined by the appliance
manufacturer by means of Europe-wide standardised measuring methods
under laboratory conditions. These are speci ed in EN 153. The actual
energy consumption of the appliances during use is of course dependent
upon the installation site and user behaviour, and so may also be higher
than the values determined by the appliance manufacturer under standard
conditions.
The expert is familiar with this context and carries out the tests with
special measuring instruments according to the applicable standards.
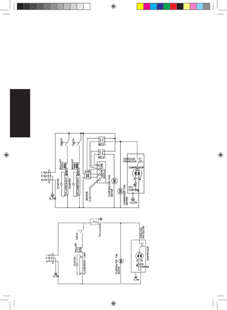
Circuit diagram
ELDC300, ELDC300XL, GCDC350, GCDC800, GCDC1050, GCUC200, GCUC300
GCDC400, GCGD310, GCGD360, GCKS360
ELDC300_ELDC300XL_GCGD310_360_GCKS360_GCDC350_400_800_1050_UC100_200_300_Manual_DE_EN_NL_DIN A5_1509.indd 46ELDC300_ELDC300XL_GCGD310_360_GCKS360_GCDC350_400_800_1050_UC100_200_300_Manual_DE_EN_NL_DIN A5_1509.indd 4624.11.2015 15:49:2324.11.2015 15:49:23

Table of Contents