EasyManua.ls Logo

Gastro-Cool ELDC300 - Page 74

Gastro-Cool ELDC300
Print Icon
To Next Page IconTo Next Page
To Next Page IconTo Next Page
To Previous Page IconTo Previous Page
To Previous Page IconTo Previous Page
Loading...
Nederlands
74
Alle apparaatspeci eke gegevens zijn vastgesteld door de fabrikant van het
apparaat in overeenstemming met de Europese standaard meetmethode
onder laboratoriumomstandigheden. Ze zijn vastgelegd in de EN 153. Het
werkelijke energieverbruik van apparaten tijdens het gebruik is uiteraard
afhankelijk van de locatie en het gebruikersgedrag en kan daarom hoger
zijn dan de onder standaardomstandigheden door de fabrikant bepaalde
waarden.
De vakman kent deze combinatie van factoren en voert testen uit met
speciale meetapparatuur volgens de huidige normen.
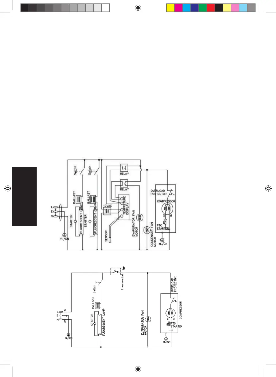
Aansluitschema
ELDC300, ELDC300XL, GCDC350, GCDC800, GCDC1050, GCUC200, GCUC300
GCDC400, GCGD310, GCGD360, GCKS360
ELDC300_ELDC300XL_GCGD310_360_GCKS360_GCDC350_400_800_1050_UC100_200_300_Manual_DE_EN_NL_DIN A5_1509.indd 74ELDC300_ELDC300XL_GCGD310_360_GCKS360_GCDC350_400_800_1050_UC100_200_300_Manual_DE_EN_NL_DIN A5_1509.indd 7424.11.2015 15:49:3824.11.2015 15:49:38

Table of Contents