EasyManua.ls Logo

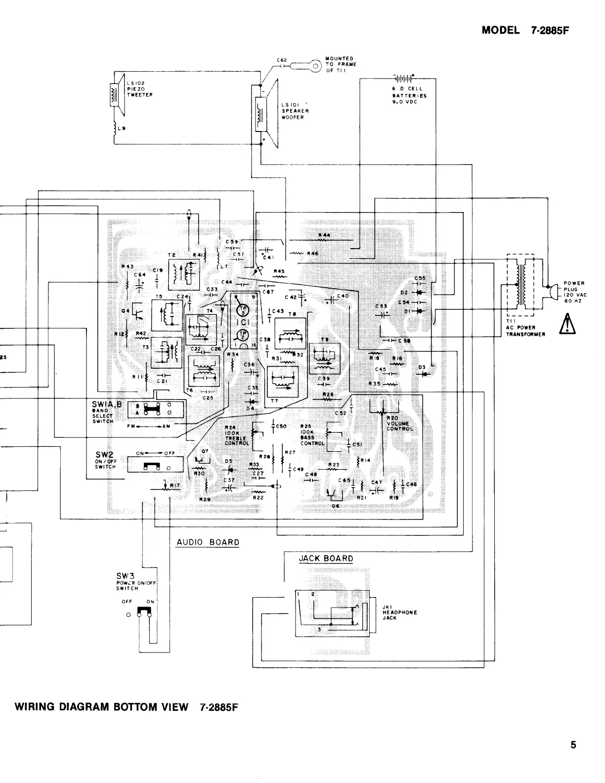
GE 7-2885F - Radio Wiring Diagram Bottom View Part 2

GE 7-2885F
13 pages
Print Icon
To Next Page IconTo Next Page
To Next Page IconTo Next Page
To Previous Page IconTo Previous Page
To Previous Page IconTo Previous Page
Loading...

Related product manuals