EasyManua.ls Logo

GE IC3645SR4W606N6 - 3.5 Pump Elementary

GE IC3645SR4W606N6
69 pages
To Next Page IconTo Next Page
To Next Page IconTo Next Page
To Previous Page IconTo Previous Page
To Previous Page IconTo Previous Page
Loading...
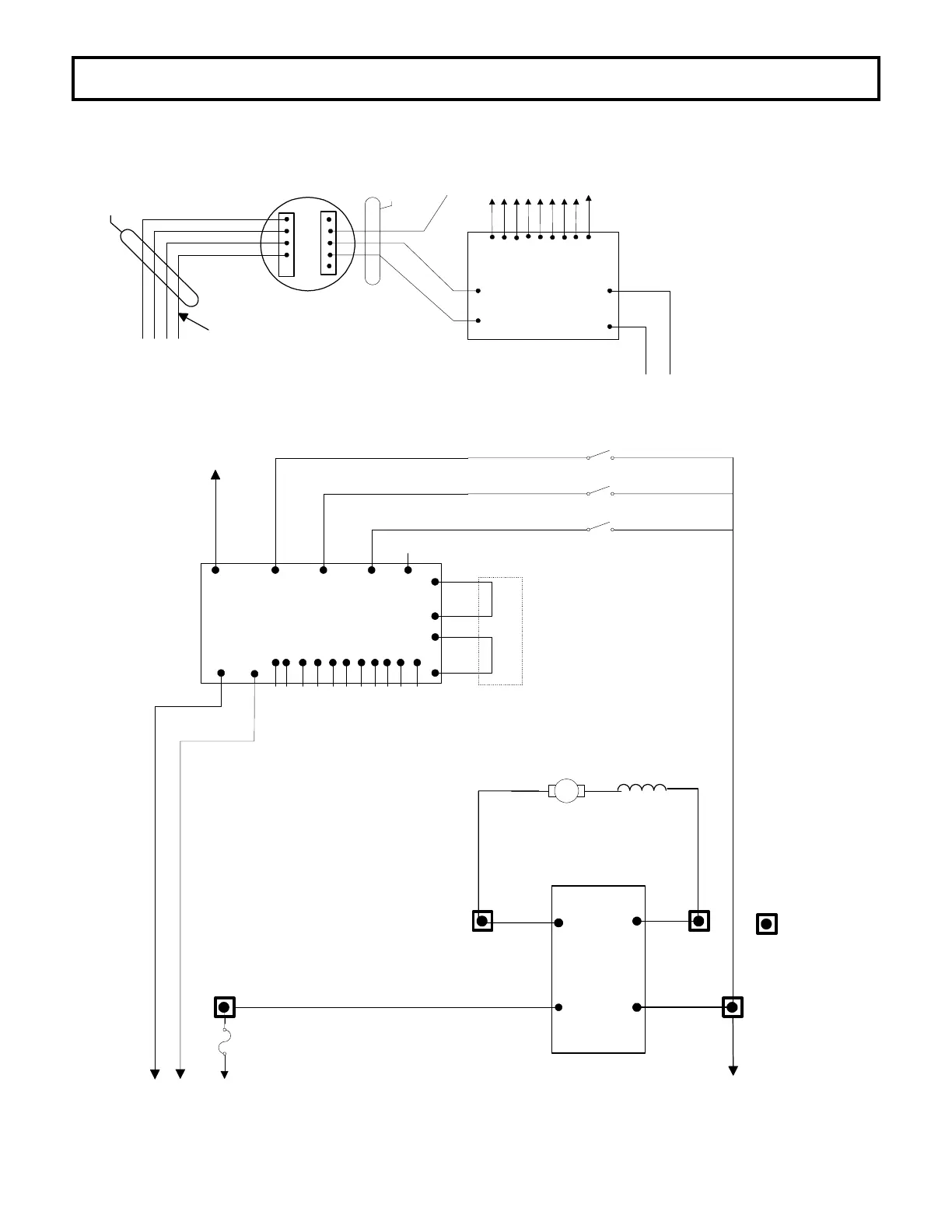
OUTLINE DRAWINGS, ELEMENTARY DRAWINGS AND INPUTS/OUTPUTS
SX TRANSISTOR CONTROL Page 14
Section 3.5 Pump Elementary
PUMP CONTROL
NEGATIVE
SHIELDED
CABLE
SEE NOTE
{
{
ARMATURE
*
FIELD
FU2
SX-2
CONTROL PLUG PL2
STATUS CODE 93 INPUT
STATUS CODE 93 INPUT
STATUS CODE 94 INPUT
STATUS CODE 95 INPUT
STATUS CODE 91 INPUT
STATUS CODE 90 INPUT
STATUS CODE 95 INPUT
STATUS CODE 94 INPUT
STATUS CODE 92 INPUT
BRUSH WEAR OUTPUT
OVER TEMP OUTPUT
DASH DISPLAY
2
1
3
4
5
6
8
9
15
16
11
13
14
PY7
PY12
PY10
PY11
10
12
19
20
21
50
51
53
13C
13C
13C
13C
PUMP CONTROL
POWER CONNECTION
P
A1
A2
N
A1
A2
*
*
**
A2
A1
N
P
5A
10
12-1
KEY SW.
FU6
LINE
C
ONTACTOR
BATT (-)
TO TRACTION
PL2-10
SPEED 3
SPEED 2
SPEED 1
PL2-3
PL2-4
PL2-5
PL2-6
PL2-8
PL2-9
PL2-15
PL2-16
PL2-11
TRACTION CARD
TRACTION CARD
5 V SUPPLY
P22
P23
TRACTION CONTROL
NEGATIVE
SHIELDED
CABLE
SEE NOTE
NOTE:
COVER SHIELDED CABLE WITH HEAT
SHRINKABLE TUBING (NO CONNECTIONS)
POWER CONNECTION
SUPPLIED BY CUSTOMER
*
PLUG PY
CONNECTIONS
P22 P23
PL2-14
PL2-13
52
October 2002

Table of Contents

Related product manuals