EasyManua.ls Logo

GE VIVID 3 BT00 - Beamformer Board (BF)

GE VIVID 3 BT00
598 pages
To Next Page IconTo Next Page
To Next Page IconTo Next Page
To Previous Page IconTo Previous Page
To Previous Page IconTo Previous Page
Loading...
GE MEDICAL SYSTEMS
D
IRECTION FK091075, REVISION 04 VIVID 3N PRO/EXPERT SERVICE MANUAL
Chapter 5 Components and Function (Theory) 5-19
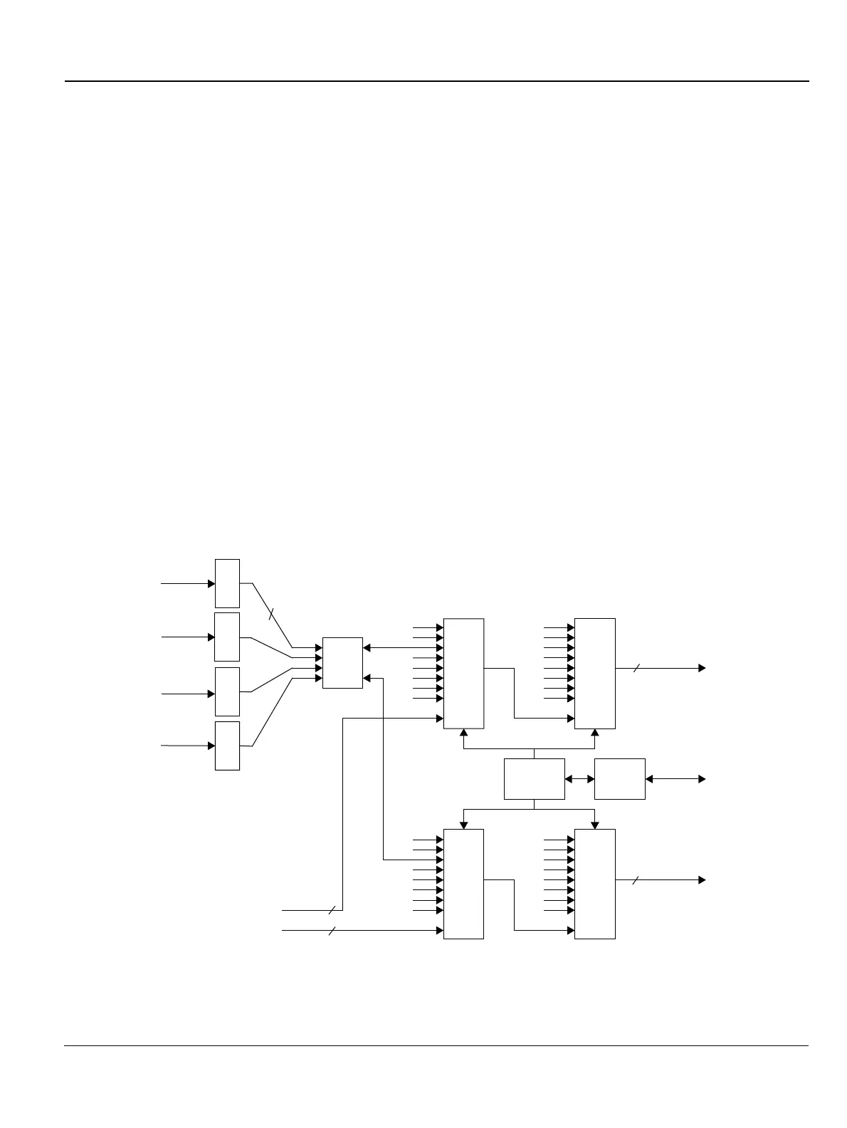
5-4-6 Beamformer Board (BF)
5-4-6-1 General Description
The Beamformer Board (BF Board) contains the A/D converter, the ASIC (called the Focuser [FOC])
and a Beam Adder (BA). The BF Board accepts input channels and converts each channel to digital
bytes.
The system requires one BF Board which scans 64 channels.
The digitized samples at the ADC output are input to the FOCs, whose outputs go to a BA. The output
of the BA (BA Level 2) is the sum of the input channels, which is added together with the output from
the other BA Level 2, as shown in Figure 5-12 on page 5-19.
These ASICs will add all the input and output channels, with appropriate delay, to give optimal receive
focusing and beam steering as a function of time. All focusing and steering parameters for a scan are
stored in VRAM on the BF Board. The output of the BF Board is a high-frequency digital Word update.
This output can be added to any successive board, if more channels are required.
BF Calibration: The system has a calibration procedure for the BF Board, which sets the offset
voltage for the ADC on the BF Board. If the BF Board is replaced, the calibration procedure has to
be performed, as described in Beamformer Calibration on page 6 - 24.
BF Board Location: The BF Board can be placed in the Front End Crate, in the third slot from
the left side.
5-4-6-2 Description of Operation
Figure 5-12 Beamformer Board (32 Channel) Block Diagram
ADC
ADC
ADC
ADC
From prev. board
To next
board
BA2
FE bus
21
21
12
Bus-
Ifc
RX
N
RX
N+1
RX
N+2
RX
N+3
(4 of 64)
FOC 2
0
1
BA2
BA2 BA2
(1 of 16)
SRAM &
Control
MLA0
To next
board
21
MLA1
MLA0
MLA1
21

Table of Contents

Related product manuals