EasyManua.ls Logo

General AOG17UNBN - Preparation

General AOG17UNBN
18 pages
Print Icon
To Next Page IconTo Next Page
To Next Page IconTo Next Page
To Previous Page IconTo Previous Page
To Previous Page IconTo Previous Page
Loading...
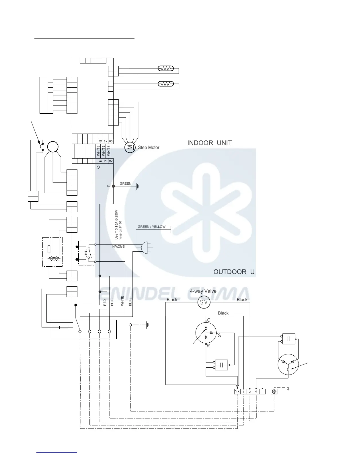
INDOOR UNIT
OUTDOOR UNIT
ASG17USCQ / AOG17UNBN
Models : ASG17USBQ / AOG17UNBK
52005.01.14
12345
Terminal
TEST
CN 11
CN 13
43
POWER
RELAY
CONTROL BOARD
POWER SUPPLY
BOARD
Thermistor
(room temp.)
Step Motor
Thermal
Protector
Fan
Motor
Thermistor
(pipe temp.)
DISPLAY BOARD
BLACK
BLACK
GRAY
GRAY
BLUE
WHITE
WHITE
WHITE
WHITE
WHITE
WHITE
BLUE
WHITE
WHITE
BLUE
RED
BLUE
BLACK
GRAY
GRAY
1
2
N
WHITE
GREEN
WHITE
WHITE
WHITE
WHITE
BLACK
PURPLE
PURPLE
BROWN
Use T 3.15A Ð 250V
fuse on F101
RED
RED
ORANGE
WHITE
WHITE
WHITE
WHITE
WHITE
WHITE
BLUE
ORANGE
YELLOW
PINK
RED
2 1
CN 12CN 8
CN 9
2 1
2 1
12345
1
2
3
4
5
1
2
3
4
5
1 2 3 4 5 6 7
12345
CN 105
E
1 2
CN 106
1 2
1 2
2 2
1 1
3
CN 103
1 2 3
1 2
CN 102
W103 W102
W101
1 2
1 2
CN 101
1 2
1 2 3
4 5
12345 67
1234567
6
7
8
1
2
3
4
5
6
7
8
CN 16
CN 107
CN 201
1
2
3
4
5
6
7
8
M
FM
3
4
TRANSFORMER
THERMAL FUSE
THERMAL
FUSE 102ϒC
GREEN / YELLOW
4-way Valve
Compressor
Fan Motor
Fan Motor
Capacitor
Thermal
Protector
Internal
Overload
Protector
Compressor
Capacitor
Black
Black
Red
Red
White
White
White
White
Black
Black
Terminal
www.enindel.com

Other manuals for General AOG17UNBN

Related product manuals