EasyManua.ls Logo

General AOG18RNAKH - Page 8

General AOG18RNAKH
41 pages
Print Icon
To Next Page IconTo Next Page
To Next Page IconTo Next Page
To Previous Page IconTo Previous Page
To Previous Page IconTo Previous Page
Loading...
2004.10.19
- 7 -
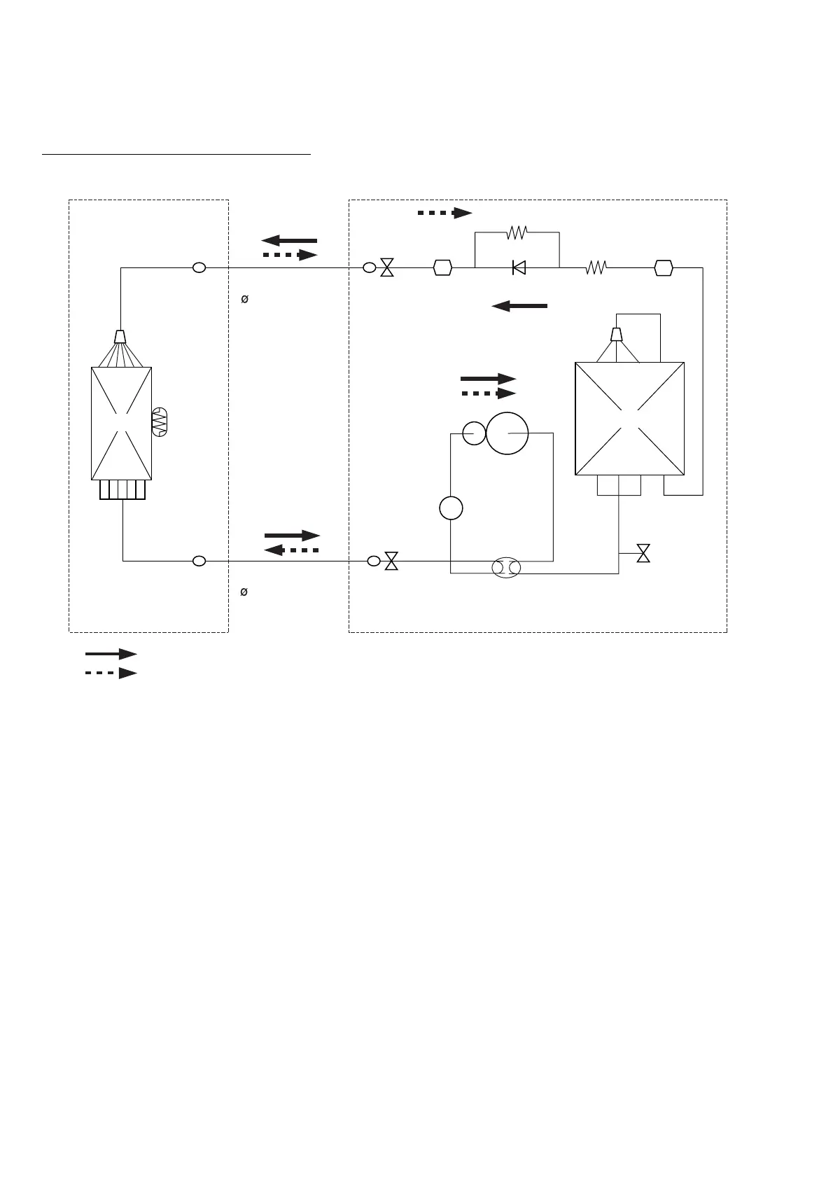
Models : ASG30RBAJ / AOG30RMADH
Refrigerant pipe
15.88mm(5/8")
Refrigerant pipe
9.52mm(3/8")
Capillary tube
Capillary
tube
Compressor
4-Way
valve
Pressure
check valve
3-Way
valve
2-Way
valve
Dryer
Check valveStrainer
Accumulator
Thermistor
(Pipe)
OUTDOOR UNIT
Distributor
INDOOR UNIT
Evaporator
Cooling
Heating
Condenser
Distributor

Related product manuals