EasyManua.ls Logo

General AOG24FNBK - Page 13

General AOG24FNBK
41 pages
Print Icon
To Next Page IconTo Next Page
To Next Page IconTo Next Page
To Previous Page IconTo Previous Page
To Previous Page IconTo Previous Page
Loading...
(PIPE TEMP.)
GRAY
GRAY
WHITE
BROWN
GREEN
GRAY
GRAY
GRAY
FM
(ROOM TEMP.)
(RIGHT/ LEFT)
(UP/DOWN)
BLACK
BLACK
WHITE
WHITE
WHITE
BLACK
BLUE
RED
BLUE
RED
RED
BLACK
GRAY
GRAY
GRAY
GRAY
YELLOW
PINK
GRAY
GRAY
GRAY
GRAY
GRAY
GRAY
GRAY
PURPLE
PURPLE
PURPLE
GRAY
GRAY
GRAY
GRAY
GRAY
(DIFFUSER)
GRAY
GRAY
GRAY
GRAY
RED
PINK
M
M
M
GREEN/
YELLOW
L
N
C
RS
BLACK
BLACK
BLACK
BLUE
RED
SV
BLACK BLACK
RED
BLACK
BLACK
BROWN
BROWN
WHITE
WHITE
WHITE
WHITE
WHITE
6
5
4
1
FAN
MOTOR
FUSE
5A
TERMINAL
FAN MOTOR
CAPACITOR
COMPRESSOR
CAPACITOR
COMPRESSOR
MAIN
RELAY
FAN MOTOR
CAPACITOR
THERMISTOR
FAN
MOTOR
TERMINAL
THERMISTOR
STEP
MOTOR
STEP
MOTOR
STEP
MOTOR
TRANSFORMER
CONTROL BOARD
DISPLAY BOARD
CN4
CN5
CN11CN10CN7CN6
CN3
CN9CN2 CN1
CN201
THERMAL
FUSE 102
(L) (N)
LN 312
THERMAL
PROTECTOR
INTERNAL
OVERLOAD
PROTECTOR
2
2
1
1
21
3
3
4
4
5
5
6
6
7
7
2
2
1
1
3
3
2
2
1
1
3
3
2
2
1
1
7
7
6
6
2
2
1
1
3
3
4
4
5
5
7
7
8
8
8
8
6
6
2
2
1
1
3
3
4
4
5
5
2
2
1
1
3
3
2
2
1
1
3
3
4
4
5
5
2
2
1
1
8
8
9
9
10
10
7
7
6
6
2
2
1
1
3
3
4
4
5
5
2
2
1
1
2
2
1
1
3
3
4
4
5
5
2
2
1
1
3
3
4
4
5
5
2
2
1
1
3
3
4
4
5
5
(N)
123
FUSE T 3. 15A 250V
4-WAY
VALVE COIL
456
456
CONNECTOR
OUTDOOR UNIT
INDOOR UNIT
TO POWER SOURCE
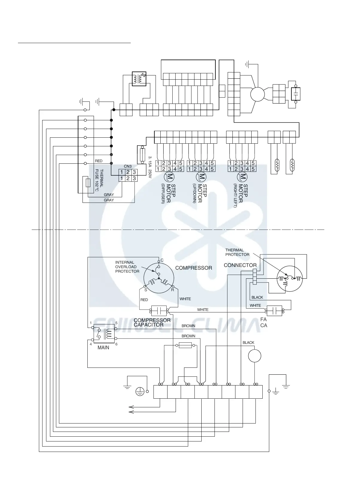
Models : ASG30UBBJ / AOG30UNBDL
2005.03.09 12
www.enindel.com

Related product manuals