EasyManua.ls Logo

General ASG18ABAJ - Models ASG18 ABAJ; AOG18 ANAK & ASG24 ABAJ; AOG24 ANAK

General ASG18ABAJ
41 pages
To Next Page IconTo Next Page
To Next Page IconTo Next Page
To Previous Page IconTo Previous Page
To Previous Page IconTo Previous Page
Loading...
- 11 -
2004.10.19
WHITE
WHITE
WHITE
BROWN
BROWN
WHITE
C
R
S
WHITE
BLACK
BLACK
BLACK
BLACK
BLACK
RED
RED
(PIPE TEMP.)
GRAY
GRAY
WHITE
GREEN
GRAY
GRAY
GRAY
FM
(ROOM TEMP.)
(RIGHT/ LEFT)
(UP/DOWN)
BLACK
BLACK
WHITE
WHITE
WHITE
BLACK
BLUE
RED
RED
BLACK
GRAY
GRAY
GRAY
GRAY
YELLOW
PINK
GRAY
GRAY
GRAY
GRAY
GRAY
GRAY
GRAY
PURPLE
PURPLE
PURPLE
GRAY
GRAY
GRAY
GRAY
GRAY
(DIFFUSER)
GRAY
GRAY
GRAY
GRAY
RED
PINK
M
M
M
GREEN/
YELLOW
L
N
5
6
4
1
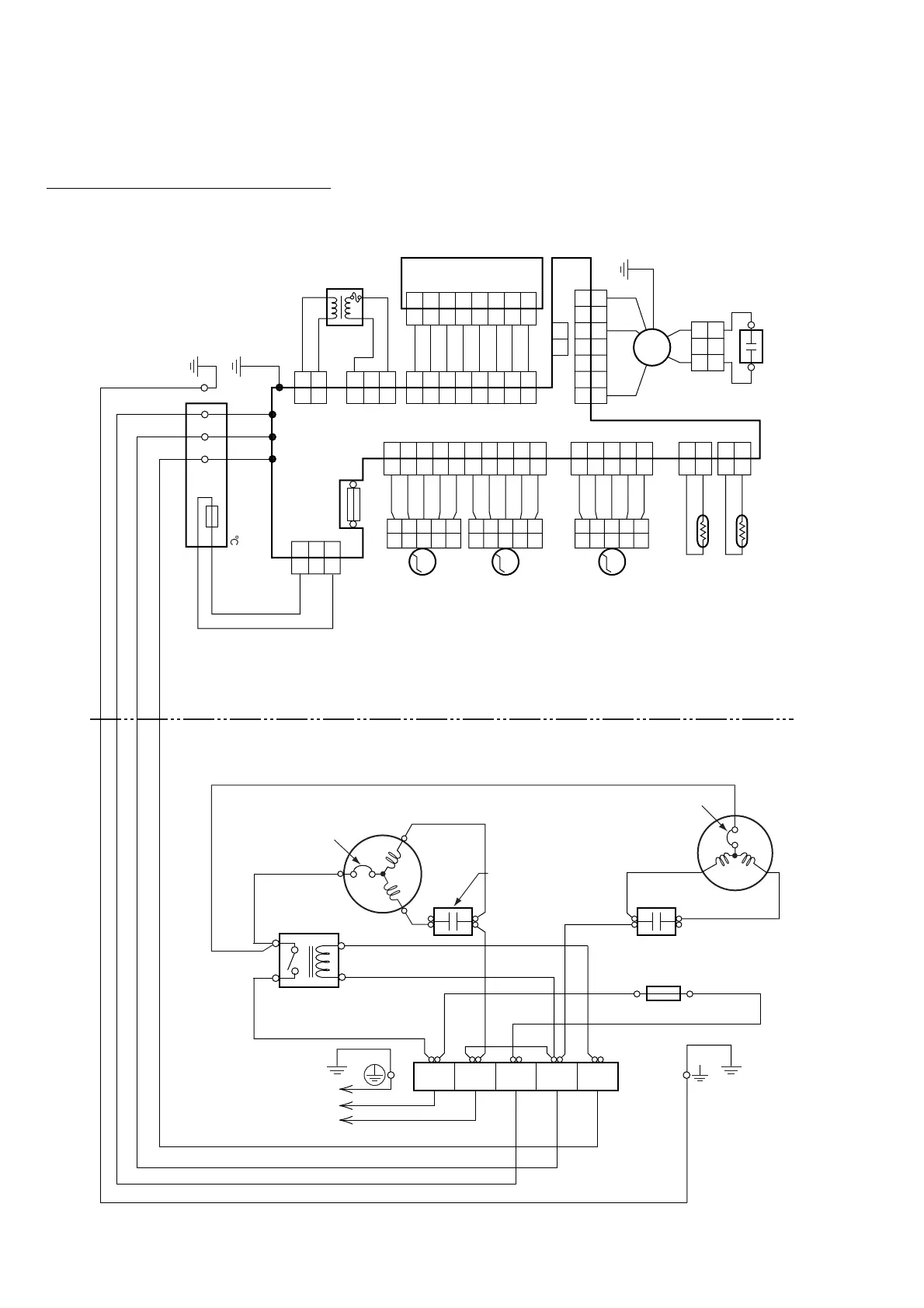
OUTDOOR UNIT
INDOOR UNIT
FAN
MOTOR
FUSE 5A
TERMINAL
FAN MOTOR
CAPACITOR
COMPRESSOR
CAPACITOR
COMPRESSOR
FAN MOTOR
CAPACITOR
THERMISTOR
FAN
MOTOR
TERMINAL
THERMISTOR
STEP
MOTOR
STEP
MOTOR
STEP
MOTOR
TRANSFORMER
CONTROL BOARD
DISPLAY BOARD
CN4
CN5
CN11CN10CN7CN6
CN3
CN9CN2 CN1
CN201
THERMAL
FUSE 102
(L) (N)LN 312
THERMAL
PROTECTOR
INTERNAL
OVERLOAD
PROTECTOR
2
2
1
1
21
3
3
4
4
5
5
6
6
7
7
2
2
1
1
3
3
2
2
1
1
3
3
2
2
1
1
7
7
6
6
2
2
1
1
3
3
4
4
5
5
7
7
8
8
8
8
6
6
2
2
1
1
3
3
4
4
5
5
2
2
1
1
3
3
2
2
1
1
3
3
4
4
5
5
2
2
1
1
8
8
9
9
10
10
7
7
6
6
2
2
1
1
3
3
4
4
5
5
2
2
1
1
2
2
1
1
3
3
4
4
5
5
2
2
1
1
3
3
4
4
5
5
2
2
1
1
3
3
4
4
5
5
(N)
123
TO POWER SOURCE
FUSE T 3.15A 250V
MAIN RELAY
Models : ASG18ABAJ / AOG18ANAK
ASG24ABAJ / AOG24ANAK

Related product manuals