EasyManua.ls Logo

General ASG24FBBN - Page 10

General ASG24FBBN
41 pages
Print Icon
To Next Page IconTo Next Page
To Next Page IconTo Next Page
To Previous Page IconTo Previous Page
To Previous Page IconTo Previous Page
Loading...
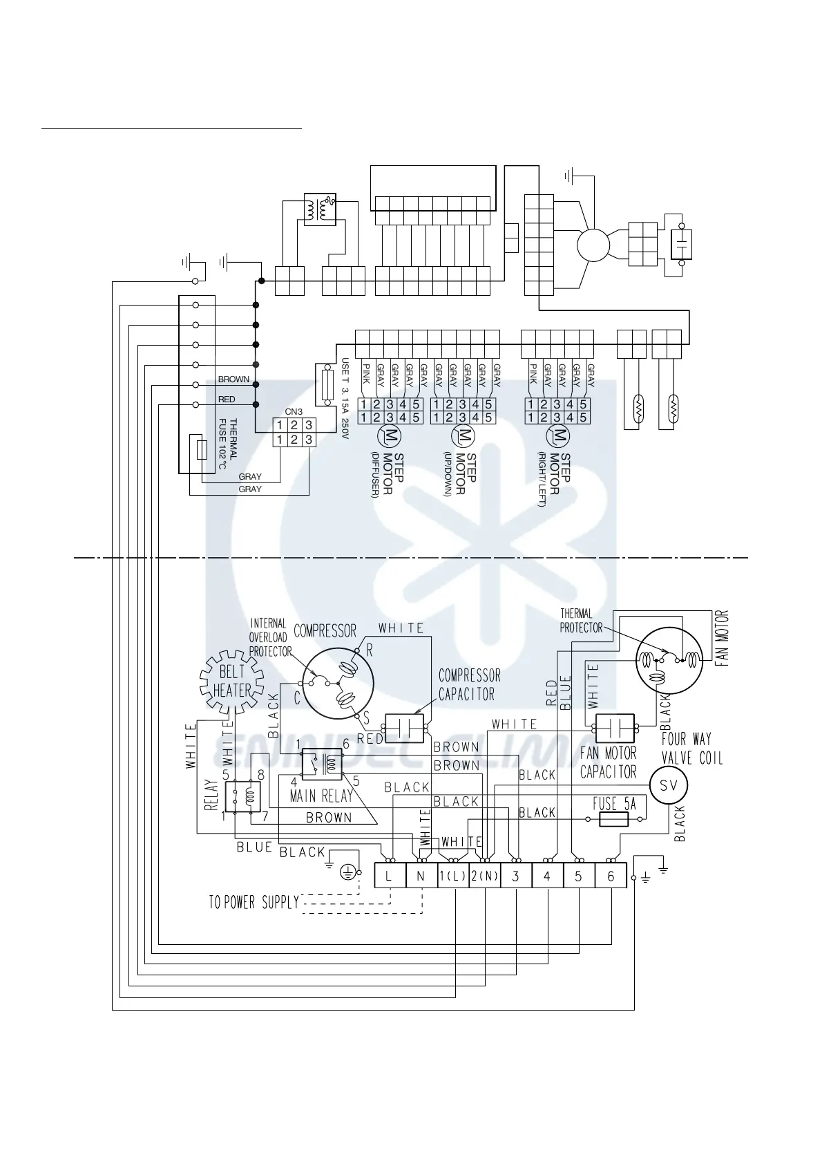
(PIPE TEMP.)
GRAY
GRAY
WHITE
BROWN
GREEN
GRAY
GRAY
GRAY
FM
(ROOM TEMP.)
(RIGHT/ LEFT)
(UP/DOWN)
BLACK
BLACK
WHITE
WHITE
WHITE
BLACK
BLUE
RED
BLUE
RED
RED
BLACK
GRAY
GRAY
GRAY
GRAY
YELLOW
PINK
GRAY
GRAY
GRAY
GRAY
GRAY
GRAY
GRAY
PURPLE
PURPLE
PURPLE
GRAY
GRAY
GRAY
GRAY
GRAY
(DIFFUSER)
GRAY
GRAY
GRAY
GRAY
RED
PINK
M
M
M
GREEN/
YELLOW
L
N
FAN MOTOR
CAPACITOR
THERMISTOR
FAN
MOTOR
TERMINAL
THERMISTOR
STEP
MOTOR
STEP
MOTOR
STEP
MOTOR
TRANSFORMER
CONTROL BOARD
DISPLAY BOARD
CN4
CN5
CN11CN10CN7CN6
CN3
CN9CN2 CN1
CN201
THERMAL
FUSE 102
2
2
1
1
21
3
3
4
4
5
5
6
6
7
7
2
2
1
1
3
3
2
2
1
1
3
3
2
2
1
1
7
7
6
6
2
2
1
1
3
3
4
4
5
5
7
7
8
8
8
8
6
6
2
2
1
1
3
3
4
4
5
5
2
2
1
1
3
3
2
2
1
1
3
3
4
4
5
5
2
2
1
1
8
8
9
9
10
10
7
7
6
6
2
2
1
1
3
3
4
4
5
5
2
2
1
1
2
2
1
1
3
3
4
4
5
5
2
2
1
1
3
3
4
4
5
5
2
2
1
1
3
3
4
4
5
5
(N)
123
FUSE T 3. 15A 250V
456
OUTDOOR UNIT
INDOOR UNIT
Models : ASG18UBAJ / AOG18UNAKL
2005.03.09 9
www.enindel.com

Related product manuals