EasyManua.ls Logo

Gerhardt Vapodest 30 - Page 27

Default Icon
31 pages
Print Icon
To Next Page IconTo Next Page
To Next Page IconTo Next Page
To Previous Page IconTo Previous Page
To Previous Page IconTo Previous Page
Loading...
C. Gerhardt GmbH & Co. KG
27
&
$
"
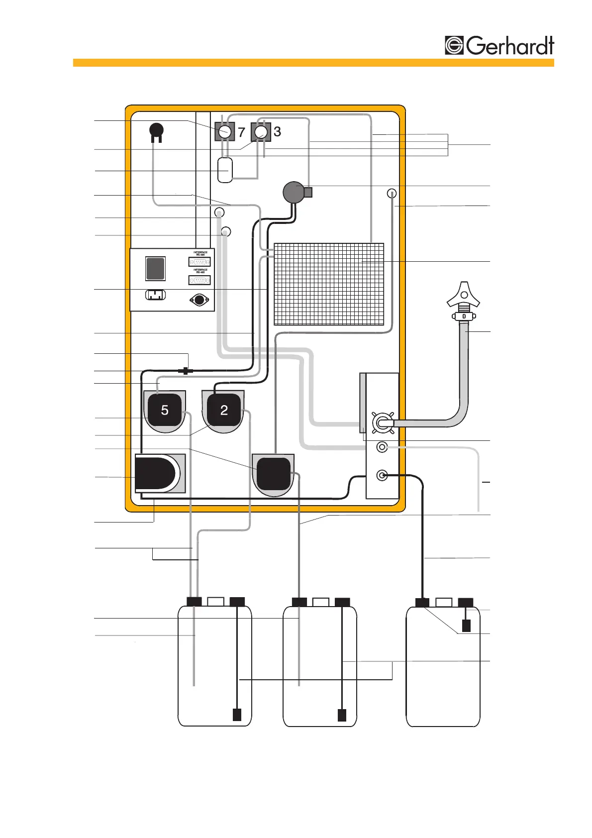
L e v e l - d e t e c t o r
H 2 O
d i s t i l l e d
N a O H S a m p l e
w a s t e
P o w e r
MAINTENANCE
17
1
5
6
7
8
19
23
21
25
18
24
Fig 8.1: Tubing diagram
3
2
22
28
26
4
10
11
4
9
14
9
16
15
13
12
4
20

Related product manuals