EasyManua.ls Logo

Glastender LP60 - WIRING DIAGRAMS; BB24 SELF-CONTAINED & KC24 AFTER 4;14;06; KC24 BEFORE 4;14;06

Glastender LP60
36 pages
Print Icon
To Next Page IconTo Next Page
To Next Page IconTo Next Page
To Previous Page IconTo Previous Page
To Previous Page IconTo Previous Page
Loading...
Glastender, Inc. • 5400 North Michigan RoadSaginaw, MI • 48604-9780
800.748.0423 • 989.752.4275 • Fax 800.838.0888 / 989.752.4444 • www.glastender.com
11
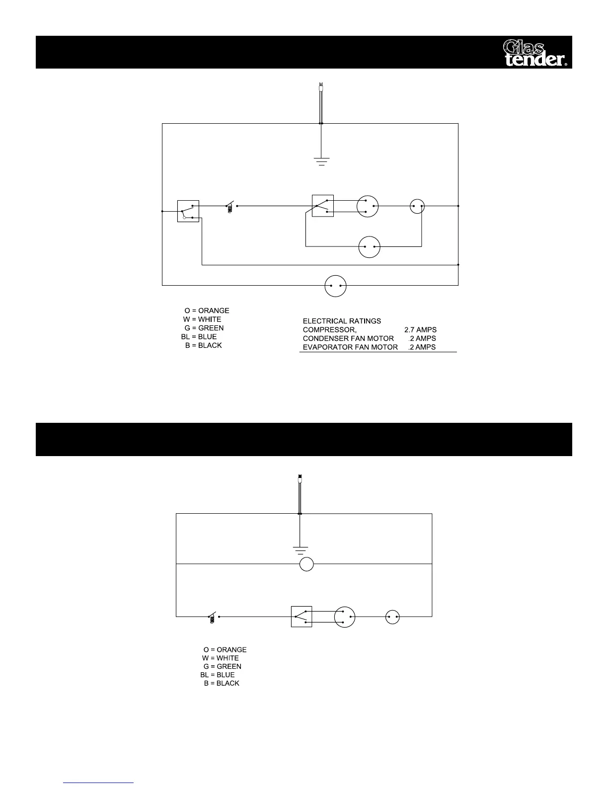
Wiring DiagraM for BB24 self-containeD & kc24 after 4/14/06
BL
BL
BL
W
W
W
G
ALL WIRE 16GA.
THERMOSTAT
START
RELAY
S
M
OVERLOAD
R
COMPRESSOR
S
C
OL
120 VOLTS
POWER CORD
4
M
1
CONDENSER
FAN
MOTOR
EVAPORATOR
FAN
MOTOR
TOTAL 3.1 AMPS
OL
S
THERMOSTAT
START
RELAY
COMPRESSOR
OVERLOAD
ELECTRICAL RATINGS
COMPRESSOR, 2.7 AMPS
ALL WIRE 16GA.
120 VOLTS
POWER CORD
FAN
TOWER
COOLING
MOTOR
BL
BL
W
W
O
G
M
R
S
C
kc24 Before 4/14/06 Wiring DiagraM

Other manuals for Glastender LP60

Related product manuals